Главная > Подшипники> Шариковые> Радиально-упорные>718/710 ACMB

718/710 ACMB — однорядный радиально-упорный шарикоподшипник, импортное производство по ISO стандарту, размер 870x710x74 номер основного исполнения .
Производитель: SKF.
AC = 25 градусов угол контакта. MB = обработанный латунный сепаратор, центрированныйпо внутреннему кольцу.
Цена по запросу
Цена на подшипник зависит от:
Габаритные размеры
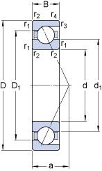
Размеры и геометрические характеристики
Нагрузка и ресурс
Коэффициенты для расчета
Присоединительные размеры
Подшипник однорядный шариковый радиальный 618/710 MA (ISB, SKF)
Однорядный цилиндрический роликоподшипник NU 18/710 ECMA/HB1 (SKF)