Главная > Подшипники> Шариковые> Радиально-упорные>718/600 AMB

718/600 AMB — однорядный радиально-упорный шарикоподшипник, импортное производство по ISO стандарту, размер 730x600x60 номер основного исполнения .
Производитель: SKF.
MB = Обработанный латунный сепаратор с внутренним кольцом.
Цена по запросу
Цена на подшипник зависит от:
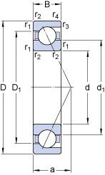
Габаритные размеры
Размеры и геометрические характеристики
Нагрузка и ресурс
Коэффициенты для расчета
Присоединительные размеры
Подшипник однорядный шариковый радиальный 618/600-MA (ISB, NKE, SKF)
Однорядный цилиндрический роликоподшипник NU 18/600 ECMA/HB1 (SKF)