Главная > Подшипники> Шариковые> Радиально-упорные>718/500 AMB

718/500 AMB — однорядный радиально-упорный шарикоподшипник, импортное производство по ISO стандарту, размер 620x500x56 номер основного исполнения .
Производитель: SKF.
MB = Обработанный латунный сепаратор с внутренним кольцом.
Цена по запросу
Цена на подшипник зависит от:
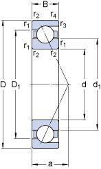
Габаритные размеры
Размеры и геометрические характеристики
Нагрузка и ресурс
Коэффициенты для расчета
Присоединительные размеры
Однорядный цилиндрический роликоподшипник NF 18/500 ECM (SKF)
однорядный радиально-упорный шарикоподшипник 718/500 AGMB (SKF)