Главная > Подшипники> Шариковые> Радиально-упорные>718/1000 AMB

718/1000 AMB — однорядный радиально-упорный шарикоподшипник, импортное производство по ISO стандарту, размер 1220x1000x100 номер основного исполнения .
Производитель: SKF.
MB = Обработанный латунный сепаратор с внутренним кольцом.
Цена по запросу
Цена на подшипник зависит от:
Габаритные размеры
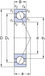
Размеры и геометрические характеристики
Нагрузка и ресурс
Коэффициенты для расчета
Присоединительные размеры
Подшипник однорядный шариковый радиальный 618/1000 MA (ISB, SKF)
Однорядный цилиндрический роликоподшипник NU 18/1000 MA/HB1 (SKF)