Главная > Подшипники> Роликовые > Радиально-упорные>71450D/71750+Y7S-71750

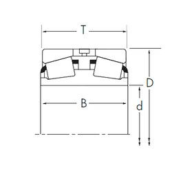
71450D/71750+Y7S-71750 — Конический роликоподшипник, импортное производство по ISO стандарту, размер 114x190x98 номер основного исполнения .
Производитель: TIMKEN.
D = профиль наружного кольца, усовершенствованный, с увеличенной зоной несущей нагрузки и оптимизированными краевыми переходами.
Цена от:11 701 р.
Цена на подшипник зависит от:
Габаритные размеры
Размеры и геометрические характеристики
Защита
Конструкция и исполнение