Главная > Подшипники> Шариковые> Радиально-упорные>70TAH10DB

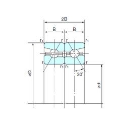
70TAH10DB — Радиально-упорный шарикоподшипник, импортное производство по ISO стандарту, размер 70x110x18 номер основного исполнения .
Производитель: NACHI.
D = профиль наружного кольца, усовершенствованный, с увеличенной зоной несущей нагрузки и оптимизированными краевыми переходами.
Цена по запросу
Цена на подшипник зависит от:
Габаритные размеры
Размеры и геометрические характеристики
Нагрузка и ресурс
Защита
Конструкция и исполнение
Радиально-упорный шарикоподшипник 70BTR10S (NSK)
Радиально-упорный шарикоподшипник 70TBH10DB (NACHI)
Радиально-упорный шарикоподшипник 70BTR10H (NSK)
Радиально-упорный шарикоподшипник 70BAR10S (NSK)
Радиально-упорный шарикоподшипник 70BAR10H (NSK)
Сверхточный двухнаправленный радиально-упорный шарикоподшипник BTM 70 ATN9/P4CDB (SKF)