Главная > Подшипники> Шариковые> Радиально-упорные>70BNR19XE

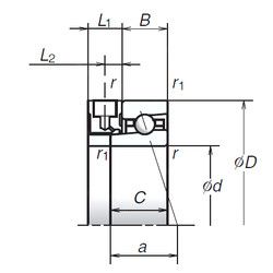
70BNR19XE — Радиально-упорный шарикоподшипник, импортное производство по ISO стандарту, размер 70x100x16 номер основного исполнения .
Производитель: NSK.
Стопорное кольцо и проточка под него в наружном кольце подшипника.
Цена по запросу
Цена на подшипник зависит от:
Габаритные размеры
Размеры и геометрические характеристики
Нагрузка и ресурс
Защита
Присоединительные размеры
Конструкция и исполнение
Другие размеры
Подшипник шариковый однорядный радиально-упорный B71914 C.T.P4S.UL (FAG)
Подшипник шариковый однорядный радиально-упорный HS71914 C.T.P4S.UL (FAG)
Подшипник шариковый однорядный радиально-упорный HS71914 E.T.P4S.UL (FAG)