Главная > Подшипники> Роликовые > Радиально-упорные>7097/7196

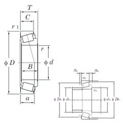
7097/7196 — Подшипник роликовый радиально-упорный, импортное производство по ISO стандарту, размер 25x50x14 номер основного исполнения .
Производится брендами: AST, KOYO.
Цена по запросу
Цена на подшипник зависит от:
Габаритные размеры
Размеры и геометрические характеристики
Нагрузка и ресурс
Защита
Присоединительные размеры
Конструкция и исполнение
Прочие характеристики
Подшипник роликовый радиально-упорный 2007405 А1 (ГПЗ-15)
Подшипник роликовый радиально-упорный 2007405A1 (EPK)
Подшипник роликовый радиально-упорный L44643/L44610
Конический роликоподшипник 07100/07196-07000LA (TIMKEN)
Конический роликоподшипник 07100/07196B (TIMKEN)
Конический роликоподшипник 07100-SA/07210XB (TIMKEN)