Главная > Подшипники>709 ACD/P4A

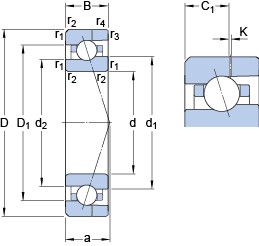
709 ACD/P4A — Прецизионный радиально-упорный шарикоподшипник, импортное производство по ISO стандарту номер основного исполнения .
Производитель: SKF.
ACD = Угол контакта 25 градусов. P4 = Точность конструкции P4, точность хода P4.
Цена от:3 329 р.
Цена на подшипник зависит от: