Главная > Подшипники> Шариковые> Радиально-упорные>7084B

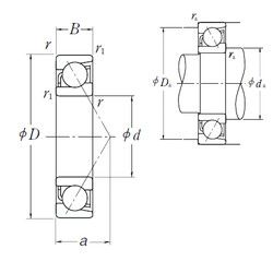
7084B — Подшипник шариковый радиально-упорный, импортное производство по ISO стандарту, размер 420x620x90 номер основного исполнения 7084.
Производится брендами: ISB, NSK.
B = однокомпонентное ребристое внутреннее кольцо.
Цена по запросу
Цена на подшипник зависит от:
Габаритные размеры
Размеры и геометрические характеристики
Нагрузка и ресурс
Защита
Присоединительные размеры
Конструкция и исполнение
Подшипник роликовый радиальный с короткими цилиндрическими роликами без бортов на наружном кольце 2184
Подшипник роликовый радиальный с короткими цилиндрическими роликами без бортов на внутреннем кольце 32184
Подшипник однорядный шариковый радиальный 6084 (CX, ISO, KOYO, NSK, NTN)
Подшипник однорядный шариковый радиальный 6084 M (ISB, NKE, SKF)
Цилиндрический роликоподшипник NF 1084 (NACHI)
Цилиндрический роликоподшипник NH1084 (CX, ISO)