Главная > Подшипники> Шариковые> Радиально-упорные>7080A

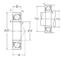
7080A — Радиально-упорный шарикоподшипник, импортное производство по ISO стандарту, размер 400x600x90 номер основного исполнения 7080.
Производитель: NSK.
A = внутренняя модификация конструкции.
Цена по запросу
Цена на подшипник зависит от:
Габаритные размеры
Размеры и геометрические характеристики
Нагрузка и ресурс
Защита
Присоединительные размеры
Конструкция и исполнение
Подшипник роликовый радиальный с короткими цилиндрическими роликами без бортов на наружном кольце 2180
Подшипник роликовый радиальный с короткими цилиндрическими роликами без бортов на внутреннем кольце 32180
Подшипник роликовый радиально-упорный 7180М
Подшипник шариковый радиальный 6080 (CX, ISO, KOYO, NIS, NSK)
Подшипник однорядный шариковый радиальный 6080 M (ISB, NKE, SKF)
Радиальный шарикоподшипник 9180K (TIMKEN)