Главная > Подшипники> Шариковые> Радиально-упорные>708 ACE/P4A

708 ACE/P4A — Прецизионный радиально-упорный шарикоподшипник, импортное производство по ISO стандарту, размер 22x8x7 номер основного исполнения .
Производитель: SKF.
P4 = Точность размеров и вращения соответствуют классу точности 4 ISO.
Цена от:3 664 р.
Цена на подшипник зависит от:
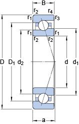
Габаритные размеры
Размеры и геометрические характеристики
Нагрузка и ресурс
Коэффициенты для расчета
Присоединительные размеры
Конструкция и исполнение
Прочие характеристики
Подшипник шариковый из нержавеющей стали W 608 (SKF)
радиальный шарикоподшипник из нержавеющей стали с наружным кольцом с фланцем W 608 R-2RZ (SKF)
радиальный шарикоподшипник из нержавеющей стали W 608-2RZ (SKF)
радиальный шарикоподшипник из нержавеющей стали с наружным кольцом с фланцем W 608 R-2RS1 (SKF)
Подшипник шариковый из нержавеющей стали W 608-2Z (SKF)
радиальный шарикоподшипник из нержавеющей стали W 608-2RS1/VP311 (SKF)