Главная > Подшипники> Шариковые> Радиально-упорные>708/600 AGMB

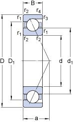
708/600 AGMB — однорядный радиально-упорный шарикоподшипник, импортное производство по ISO стандарту, размер 730x600x42 номер основного исполнения .
Производитель: SKF.
MB = Обработанный латунный сепаратор с внутренним кольцом.
Цена по запросу
Цена на подшипник зависит от:
Габаритные размеры
Размеры и геометрические характеристики
Нагрузка и ресурс
Коэффициенты для расчета
Присоединительные размеры