Главная > Подшипники> Роликовые > Радиально-упорные>7079/7196

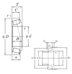
7079/7196 — Подшипник роликовый радиально-упорный, импортное производство по ISO стандарту номер основного исполнения .
Производитель: KOYO.
Цена по запросу
Цена на подшипник зависит от:
Габаритные размеры
Размеры и геометрические характеристики
Нагрузка и ресурс
Защита
Присоединительные размеры
Конструкция и исполнение
Подшипник однорядный шариковый радиальный RLS 16 (CYSD, NIS, SKF)
Подшипник роликовый радиально-упорный 7098/7196 (KOYO)
Подшипник роликовый радиально-упорный 7100/7196 (KOYO)