Главная > Подшипники> Шариковые> Радиально-упорные>7072A

7072A — Подшипник шариковый радиально-упорный, импортное производство по ISO стандарту, размер 360x540x82 номер основного исполнения 7072.
Производится брендами: CX, ISB, ISO, NSK.
A = внутренняя модификация конструкции.
Цена по запросу
Цена на подшипник зависит от:
| Обозначение | Модификация |
|---|---|
| 7072 | Основное конструктивное исполнение. |
| 7072B | B = однокомпонентное ребристое внутреннее кольцо. |
| 7072 BGM | B = 40 градусов угол контакта. G = Однорядный радиально-упорный шарикоподшипник для универсального парного монтажа. Два подшипника, установленные по 0-образной или Х-образной схеме, будут иметь определенный осевой зазор в домонтажном состоянии. |
| 7072 ADT | T = Механически обработанный сепаратор из текстолита, центрируемый по телам качения. |
| 7072 BDT | BD = Модифицированная внутренняя конструкция, угол контакта α = 30 градусов, без отверстия для заполнения. |
| 7072 BDB | B = 40 градусов угол контакта. DB = два однорядных радиальных шарикоподшипника, однорядные радиально-упорные шарикоподшипники или однорядные конические роликовые подшипники, подходящие для монтажа в расположении друг за другом. |
| 7072 ADB | A = Модифицированная внутренняя конструкция. DB = два однорядных радиальных шарикоподшипника, однорядные радиально-упорные шарикоподшипники или однорядные конические роликовые подшипники, подходящие для монтажа в расположении друг к другу. |
| 7072 ADF | Комплект подшипников расположенных лицом к лицу, дуплексная Х-образная пара. |
| 7072 BDF | B = 40 градусов угол контакта. DF = Два однорядных радиальных шарикоподшипника, однорядных радиально-упорных шарикоподшипника или однорядных конических роликоподшипника, согласованные для монтажа по Х-образной схеме. |
| 7072 A-UO | A = внутренняя модификация конструкции. |
| 7072 B-UO | B = однокомпонентное ребристое внутреннее кольцо. |
| 7072 B-UX | X = Внешние размеры, соответствующие международным стандартам. |
| 7072 A-UX | A = внутренняя модификация конструкции. |
| 7072 B-UD | D = профиль наружного кольца, усовершенствованный, с увеличенной зоной несущей нагрузки и оптимизированными краевыми переходами. |
| 7072 A-UD | A = внутренняя модификация конструкции. |
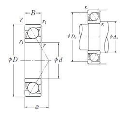
Габаритные размеры
Размеры и геометрические характеристики
Нагрузка и ресурс
Защита
Присоединительные размеры
Конструкция и исполнение
Подшипник шариковый радиальный однорядный 172
Подшипник шариковый радиальный однорядный 172 Л
Подшипник шариковый радиальный 6-172 Л (ГПЗ-1)
Подшипник шариковый радиальный однорядный 70-172 Л (ГПЗ-1)
Подшипник роликовый радиальный с короткими цилиндрическими роликами без бортов на наружном кольце 2172
Подшипник роликовый радиальный 232172 Л (ГПЗ-9)