Главная > Подшипники> Шариковые> Радиально-упорные>7068

7068 — Радиально-упорный шарикоподшипник, импортное производство по ISO стандарту, размер 340x520x82 основное исполнение.
Производится брендами: KOYO, NTN.
Цена по запросу
Цена на подшипник зависит от:
| Обозначение | Модификация |
|---|---|
| 7068B | B = однокомпонентное ребристое внутреннее кольцо. |
| 7068 A | A = внутренняя модификация конструкции. |
| 7068 BDF | B = 40 градусов угол контакта. DF = Два однорядных радиальных шарикоподшипника, однорядных радиально-упорных шарикоподшипника или однорядных конических роликоподшипника, согласованные для монтажа по Х-образной схеме. |
| 7068 ADT | T = Механически обработанный сепаратор из текстолита, центрируемый по телам качения. |
| 7068 BDT | BD = Модифицированная внутренняя конструкция, угол контакта α = 30 градусов, без отверстия для заполнения. |
| 7068 BDB | B = 40 градусов угол контакта. DB = два однорядных радиальных шарикоподшипника, однорядные радиально-упорные шарикоподшипники или однорядные конические роликовые подшипники, подходящие для монтажа в расположении друг за другом. |
| 7068 ADF | Комплект подшипников расположенных лицом к лицу, дуплексная Х-образная пара. |
| 7068 ADB | A = Модифицированная внутренняя конструкция. DB = два однорядных радиальных шарикоподшипника, однорядные радиально-упорные шарикоподшипники или однорядные конические роликовые подшипники, подходящие для монтажа в расположении друг к другу. |
| 7068 B-UO | B = однокомпонентное ребристое внутреннее кольцо. |
| 7068 A-UD | A = внутренняя модификация конструкции. |
| 7068 A-UO | A = внутренняя модификация конструкции. |
| 7068 B-UD | D = профиль наружного кольца, усовершенствованный, с увеличенной зоной несущей нагрузки и оптимизированными краевыми переходами. |
| 7068 B-UX | X = Внешние размеры, соответствующие международным стандартам. |
| 7068 A-UX | A = внутренняя модификация конструкции. |
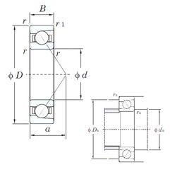
Габаритные размеры
Размеры и геометрические характеристики
Нагрузка и ресурс
Защита
Присоединительные размеры
Конструкция и исполнение
Однорядный цилиндрический роликовый подшипник NU1068 (CX, ISB, ISO, KOYO, NACHI)
Подшипник однорядный шариковый радиальный 6068 (CX, FAG, ISO, KOYO, NIS)
Однорядный цилиндрический роликовый подшипник NU1068 MA (SKF, TIMKEN)
Подшипник однорядный шариковый радиальный 6068 M.C3 (FAG)
Подшипник шариковый радиальный однорядный 168
Подшипник роликовый радиальный с короткими цилиндрическими роликами без бортов на наружном кольце 2168