Главная > Подшипники> Шариковые> Радиально-упорные>7064

7064 — Радиально-упорный шарикоподшипник, импортное производство по ISO стандарту, размер 320x480x74 основное исполнение.
Производится брендами: KOYO, NTN.
Цена по запросу
Цена на подшипник зависит от:
| Обозначение | Модификация |
|---|---|
| 7064 A | A = внутренняя модификация конструкции. |
| 7064 B | B = однокомпонентное ребристое внутреннее кольцо. |
| 7064 BDT | BD = Модифицированная внутренняя конструкция, угол контакта α = 30 градусов, без отверстия для заполнения. |
| 7064 BDB | B = 40 градусов угол контакта. DB = два однорядных радиальных шарикоподшипника, однорядные радиально-упорные шарикоподшипники или однорядные конические роликовые подшипники, подходящие для монтажа в расположении друг за другом. |
| 7064 ADF | Комплект подшипников расположенных лицом к лицу, дуплексная Х-образная пара. |
| 7064 ADB | A = Модифицированная внутренняя конструкция. DB = два однорядных радиальных шарикоподшипника, однорядные радиально-упорные шарикоподшипники или однорядные конические роликовые подшипники, подходящие для монтажа в расположении друг к другу. |
| 7064 BDF | B = 40 градусов угол контакта. DF = Два однорядных радиальных шарикоподшипника, однорядных радиально-упорных шарикоподшипника или однорядных конических роликоподшипника, согласованные для монтажа по Х-образной схеме. |
| 7064 BGM | B = 40 градусов угол контакта. G = Однорядный радиально-упорный шарикоподшипник для универсального парного монтажа. Два подшипника, установленные по 0-образной или Х-образной схеме, будут иметь определенный осевой зазор в домонтажном состоянии. |
| 7064 ADT | T = Механически обработанный сепаратор из текстолита, центрируемый по телам качения. |
| 7064 A-UO | A = внутренняя модификация конструкции. |
| 7064 B-UD | D = профиль наружного кольца, усовершенствованный, с увеличенной зоной несущей нагрузки и оптимизированными краевыми переходами. |
| 7064 B-UO | B = однокомпонентное ребристое внутреннее кольцо. |
| 7064 B-UX | X = Внешние размеры, соответствующие международным стандартам. |
| 7064 A-UX | A = внутренняя модификация конструкции. |
| 7064 A-UD | A = внутренняя модификация конструкции. |
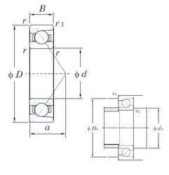
Габаритные размеры
Размеры и геометрические характеристики
Нагрузка и ресурс
Защита
Присоединительные размеры
Конструкция и исполнение
Однорядный цилиндрический роликовый подшипник NU1064 (CX, FAG, ISB, ISO, KOYO)
Подшипник однорядный шариковый радиальный 6064 (CX, ISO, KOYO, NACHI, NIS)
Однорядный цилиндрический роликовый подшипник NU1064 M1 (FAG)
Подшипник однорядный шариковый радиальный 6064 M.C3 (SKF)
Подшипник однорядный шариковый радиальный 6064 M.CNL (SKF)