Главная > Подшипники> Шариковые> Радиально-упорные>7060 ADF

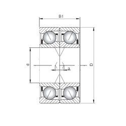
7060 ADF — Подшипник шариковый радиально-упорный, импортное производство по ISO стандарту, размер 300x460x148 номер основного исполнения 7060.
Производитель: ISO.
Комплект подшипников расположенных лицом к лицу, дуплексная Х-образная пара.
Цена от:89 445 р.
Цена на подшипник зависит от:
| Обозначение | Модификация |
|---|---|
| 7060 | Основное конструктивное исполнение. |
| 7060B | B = однокомпонентное ребристое внутреннее кольцо. |
| 7060 A | A = внутренняя модификация конструкции. |
| 7060DB | D = профиль наружного кольца, усовершенствованный, с увеличенной зоной несущей нагрузки и оптимизированными краевыми переходами. |
| 7060CDB | С = Необслуживаемые концы стержней, внутренняя резьба. |
| 7060 BDT | BD = Модифицированная внутренняя конструкция, угол контакта α = 30 градусов, без отверстия для заполнения. |
| 7060 BDF | B = 40 градусов угол контакта. DF = Два однорядных радиальных шарикоподшипника, однорядных радиально-упорных шарикоподшипника или однорядных конических роликоподшипника, согласованные для монтажа по Х-образной схеме. |
| 7060 ADB | A = Модифицированная внутренняя конструкция. DB = два однорядных радиальных шарикоподшипника, однорядные радиально-упорные шарикоподшипники или однорядные конические роликовые подшипники, подходящие для монтажа в расположении друг к другу. |
| 7060 ADT | T = Механически обработанный сепаратор из текстолита, центрируемый по телам качения. |
| 7060 BDB | B = 40 градусов угол контакта. DB = два однорядных радиальных шарикоподшипника, однорядные радиально-упорные шарикоподшипники или однорядные конические роликовые подшипники, подходящие для монтажа в расположении друг за другом. |
| 7060 A-UX | A = внутренняя модификация конструкции. |
| 7060 B-UX | X = Внешние размеры, соответствующие международным стандартам. |
| 7060 A-UD | A = внутренняя модификация конструкции. |
| 7060 B-UD | D = профиль наружного кольца, усовершенствованный, с увеличенной зоной несущей нагрузки и оптимизированными краевыми переходами. |
| 7060 B-UO | B = однокомпонентное ребристое внутреннее кольцо. |
| 7060 A-UO | A = внутренняя модификация конструкции. |
| 7060CDB/GLP5 | P5 = Подшипники 5-го класса точности DIN |
| 7060CDB+26D2/GNP5 | GN = нормальная предварительная нагрузка. P = Литой сепаратор из стеклонаполненного полиамида 6,6, центрируемый по телам качения. |
Габаритные размеры
Размеры и геометрические характеристики
Защита
Присоединительные размеры
Конструкция и исполнение
Конический роликоподшипник 423060 (NTN)
Подшипник роликовый радиально-упорный 46260A (KOYO)