Главная > Подшипники> Шариковые> Радиально-упорные>7036 CD/HCP4AH1

7036 CD/HCP4AH1 — Прецизионный радиально-упорный шарикоподшипник, импортное производство по ISO стандарту, размер 280x180x46 номер основного исполнения 7036.
Производитель: SKF.
P4 = Точность размеров и вращения соответствуют классу точности 4 ISO.
Цена от:27 367 р.
Цена на подшипник зависит от:
| Обозначение | Модификация |
|---|---|
| 7036 | Основное конструктивное исполнение. |
| B7036 | |
| 7036B | B = однокомпонентное ребристое внутреннее кольцо. |
| 7036G | G = Однорядный радиально-упорный шарикоподшипник для универсального парного монтажа. Два подшипника, установленные по 0-образной или Х-образной схеме, будут иметь определенный осевой зазор в домонтажном состоянии. |
| H7036C | С = Необслуживаемые концы стержней, внутренняя резьба. |
| 7036P5 | P5 = Подшипники 5-го класса точности DIN |
| 7036 A | A = внутренняя модификация конструкции. |
| 7036 C | С = Необслуживаемые концы стержней, внутренняя резьба. |
| 7036DF | Комплект подшипников расположенных лицом к лицу, дуплексная Х-образная пара. |
| 7036DB | D = профиль наружного кольца, усовершенствованный, с увеличенной зоной несущей нагрузки и оптимизированными краевыми переходами. |
| 7036DT | T = Механически обработанный сепаратор из текстолита, центрируемый по телам качения. |
| H7036AC | AC = Угол контакта 25 градусов. |
| 7036CPA | С = Необслуживаемые концы стержней, внутренняя резьба. |
| 7036CDB | С = Необслуживаемые концы стержней, внутренняя резьба. |
| 7036 ADB | A = Модифицированная внутренняя конструкция. DB = два однорядных радиальных шарикоподшипника, однорядные радиально-упорные шарикоподшипники или однорядные конические роликовые подшипники, подходящие для монтажа в расположении друг к другу. |
| 7036 ADF | Комплект подшипников расположенных лицом к лицу, дуплексная Х-образная пара. |
| 7036 ADT | T = Механически обработанный сепаратор из текстолита, центрируемый по телам качения. |
| 7036 BDB | B = 40 градусов угол контакта. DB = два однорядных радиальных шарикоподшипника, однорядные радиально-упорные шарикоподшипники или однорядные конические роликовые подшипники, подходящие для монтажа в расположении друг за другом. |
| 7036 BGM | B = 40 градусов угол контакта. G = Однорядный радиально-упорный шарикоподшипник для универсального парного монтажа. Два подшипника, установленные по 0-образной или Х-образной схеме, будут иметь определенный осевой зазор в домонтажном состоянии. |
| 7036 BDT | BD = Модифицированная внутренняя конструкция, угол контакта α = 30 градусов, без отверстия для заполнения. |
| 7036BDBT | B = 40 градусов угол контакта. DB = два однорядных радиальных шарикоподшипника, однорядные радиально-упорные шарикоподшипники или однорядные конические роликовые подшипники, подходящие для монтажа в расположении друг за другом. |
| 7036 BDF | B = 40 градусов угол контакта. DF = Два однорядных радиальных шарикоподшипника, однорядных радиально-упорных шарикоподшипника или однорядных конических роликоподшипника, согласованные для монтажа по Х-образной схеме. |
| 7036 CDF | Комплект подшипников расположенных лицом к лицу, дуплексная Х-образная пара. |
| 7036DBP5 | P5 = Подшипники 5-го класса точности DIN |
| 7036 CDT | С = Необслуживаемые концы стержней, внутренняя резьба. |
| 7036 B-UO | B = однокомпонентное ребристое внутреннее кольцо. |
| 7036 C-UD | С = Необслуживаемые концы стержней, внутренняя резьба. |
| 7036 B-UX | X = Внешние размеры, соответствующие международным стандартам. |
| 7036 A-UO | A = внутренняя модификация конструкции. |
| 7036 A-UD | A = внутренняя модификация конструкции. |
| 7036 C-UO | С = Необслуживаемые концы стержней, внутренняя резьба. |
| 7036 A-UX | A = внутренняя модификация конструкции. |
| 7036 C-UX | С = Необслуживаемые концы стержней, внутренняя резьба. |
| 7036CTRSU | С = Необслуживаемые концы стержней, внутренняя резьба. |
| 7036 B-UD | D = профиль наружного кольца, усовершенствованный, с увеличенной зоной несущей нагрузки и оптимизированными краевыми переходами. |
| H7036C/HQ1 | С = Необслуживаемые концы стержней, внутренняя резьба. |
| 7036A5TRSU | Угол контакта 25 градусов. |
| 7036 ATBP4 | ТВ = текстолитовый сепаратор, центрируемый по внутреннему кольцу. |
| 7036CVUJ74 | J = Сепаратор стальной штампованный незакалённый. Сорт стали 7. |
| 7036HVUJ74 | J = Сепаратор стальной штампованный незакалённый. Сорт стали 7. |
| 7036 CTBP4 | ТВ = текстолитовый сепаратор, центрируемый по внутреннему кольцу. |
| H7036AC/HQ1 | AC = Угол контакта 25 градусов. |
| 7036HVDUJ74 | DU = (RS1-SKF) = Уплотнительное контактное уплотнение из акрилонитрил-бутадиеновой резины (NBR) из листовой стали на одной стороне подшипника. |
| 7036 CD/P4A | CD = 15 градусов угол контакта. P4 = Точность размеров и вращения соответствуют классу точности 4 ISO. |
| 7036CVDUJ74 | DU = (RS1-SKF) = Уплотнительное контактное уплотнение из акрилонитрил-бутадиеновой резины (NBR) из листовой стали на одной стороне подшипника. |
| 7036 ACD/P4A | ACD = Угол контакта 25 градусов. P4 = Точность конструкции P4, точность хода P4. |
| 7036 CD/P4AL | CD = 15 градусов угол контакта. P4 = Точность размеров и вращения соответствуют классу точности 4 ISO. |
| 7036 CDGA.P4A | P4 = Точность размеров и вращения соответствуют классу точности 4 ISO. |
| 7036 ACD/P4AL | ACD = Угол контакта 25 градусов. P4 = Точность конструкции P4, точность хода P4. |
| 7036 CD/P4AH1 | CD = 15 градусов угол контакта. P4 = Точность размеров и вращения соответствуют классу точности 4 ISO. |
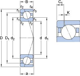
Габаритные размеры
Размеры и геометрические характеристики
Нагрузка и ресурс
Коэффициенты для расчета
Присоединительные размеры
Конструкция и исполнение
Прочие характеристики
Однорядный цилиндрический роликовый подшипник NU1036 ML (FAG, SKF)
Подшипник однорядный шариковый радиальный 6036 (CX, CYSD, ISO, KOYO, NACHI)
Однорядный цилиндрический роликовый подшипник NU1036 M (AST, SKF)
Однорядный цилиндрический роликоподшипник NJ 1036 ML (SKF)