Главная > Подшипники> Шариковые> Радиально-упорные>7032 CD/HCP4AH1

7032 CD/HCP4AH1 — Прецизионный радиально-упорный шарикоподшипник, импортное производство по ISO стандарту, размер 240x160x38 номер основного исполнения 7032.
Производитель: SKF.
P4 = Точность размеров и вращения соответствуют классу точности 4 ISO.
Цена от:16 683 р.
Цена на подшипник зависит от:
| Обозначение | Модификация |
|---|---|
| 7032 | Основное конструктивное исполнение. |
| 7032B | B = однокомпонентное ребристое внутреннее кольцо. |
| 7032F | Механически обработанный сепаратор из стали или чугуна, центрируемый по телам качения. |
| B7032 | |
| 7032DB | D = профиль наружного кольца, усовершенствованный, с увеличенной зоной несущей нагрузки и оптимизированными краевыми переходами. |
| 7032 A | A = внутренняя модификация конструкции. |
| H7032C | С = Необслуживаемые концы стержней, внутренняя резьба. |
| 7032AC | AC = Угол контакта 25 градусов. |
| 7032DT | T = Механически обработанный сепаратор из текстолита, центрируемый по телам качения. |
| 7032P5 | P5 = Подшипники 5-го класса точности DIN |
| 7032 C | С = Необслуживаемые концы стержней, внутренняя резьба. |
| 7032CG | С = Необслуживаемые концы стержней, внутренняя резьба. |
| 7032DF | Комплект подшипников расположенных лицом к лицу, дуплексная Х-образная пара. |
| H7032AC | AC = Угол контакта 25 градусов. |
| 7032CP4 | P4 = Точность размеров и вращения соответствуют классу точности 4 ISO. |
| 7032CDB | С = Необслуживаемые концы стержней, внутренняя резьба. |
| 7032CPA | С = Необслуживаемые концы стержней, внутренняя резьба. |
| 7032CP5 | P5 = Подшипники 5-го класса точности DIN |
| 7032DTBT | ТВ = текстолитовый сепаратор, центрируемый по внутреннему кольцу. |
| 7032 CDF | Комплект подшипников расположенных лицом к лицу, дуплексная Х-образная пара. |
| 7032 ADF | Комплект подшипников расположенных лицом к лицу, дуплексная Х-образная пара. |
| 7032 CDT | С = Необслуживаемые концы стержней, внутренняя резьба. |
| 7032 BDT | BD = Модифицированная внутренняя конструкция, угол контакта α = 30 градусов, без отверстия для заполнения. |
| 7032 ADB | A = Модифицированная внутренняя конструкция. DB = два однорядных радиальных шарикоподшипника, однорядные радиально-упорные шарикоподшипники или однорядные конические роликовые подшипники, подходящие для монтажа в расположении друг к другу. |
| 7032BDBT | B = 40 градусов угол контакта. DB = два однорядных радиальных шарикоподшипника, однорядные радиально-упорные шарикоподшипники или однорядные конические роликовые подшипники, подходящие для монтажа в расположении друг за другом. |
| 7032 ADT | T = Механически обработанный сепаратор из текстолита, центрируемый по телам качения. |
| 7032 BDB | B = 40 градусов угол контакта. DB = два однорядных радиальных шарикоподшипника, однорядные радиально-упорные шарикоподшипники или однорядные конические роликовые подшипники, подходящие для монтажа в расположении друг за другом. |
| 7032 BDF | B = 40 градусов угол контакта. DF = Два однорядных радиальных шарикоподшипника, однорядных радиально-упорных шарикоподшипника или однорядных конических роликоподшипника, согласованные для монтажа по Х-образной схеме. |
| 7032 A-UX | A = внутренняя модификация конструкции. |
| 7032 A-UD | A = внутренняя модификация конструкции. |
| 7032 C-UD | С = Необслуживаемые концы стержней, внутренняя резьба. |
| 7032 B-UO | B = однокомпонентное ребристое внутреннее кольцо. |
| 7032 A-UO | A = внутренняя модификация конструкции. |
| 7032CTRSU | С = Необслуживаемые концы стержней, внутренняя резьба. |
| 7032 B-UX | X = Внешние размеры, соответствующие международным стандартам. |
| 7032 C-UO | С = Необслуживаемые концы стержней, внутренняя резьба. |
| 7032 C-UX | С = Необслуживаемые концы стержней, внутренняя резьба. |
| 7032 B-UD | D = профиль наружного кольца, усовершенствованный, с увеличенной зоной несущей нагрузки и оптимизированными краевыми переходами. |
| 7032CDTBT | ТВ = текстолитовый сепаратор, центрируемый по внутреннему кольцу. |
| H7032C/HQ1 | С = Необслуживаемые концы стержней, внутренняя резьба. |
| 7032 ATBP4 | ТВ = текстолитовый сепаратор, центрируемый по внутреннему кольцу. |
| 7032CVUJ74 | J = Сепаратор стальной штампованный незакалённый. Сорт стали 7. |
| 7032A5TRSU | Угол контакта 25 градусов. |
| 7032 CTBP4 | ТВ = текстолитовый сепаратор, центрируемый по внутреннему кольцу. |
| 7032HVUJ74 | J = Сепаратор стальной штампованный незакалённый. Сорт стали 7. |
| 7032HVDUJ74 | DU = (RS1-SKF) = Уплотнительное контактное уплотнение из акрилонитрил-бутадиеновой резины (NBR) из листовой стали на одной стороне подшипника. |
| 7032CG/GLP4 | P4 = Точность размеров и вращения соответствуют классу точности 4 ISO. |
| H7032AC/HQ1 | AC = Угол контакта 25 градусов. |
| 7032 CD/P4A | CD = 15 градусов угол контакта. P4 = Точность размеров и вращения соответствуют классу точности 4 ISO. |
| 7032CVDUJ74 | DU = (RS1-SKF) = Уплотнительное контактное уплотнение из акрилонитрил-бутадиеновой резины (NBR) из листовой стали на одной стороне подшипника. |
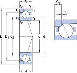
Габаритные размеры
Размеры и геометрические характеристики
Нагрузка и ресурс
Коэффициенты для расчета
Присоединительные размеры
Конструкция и исполнение
Прочие характеристики
Однорядный цилиндрический роликовый подшипник NU1032 ML (FAG, SKF)
Подшипник шариковый радиальный однорядный 6032 2RS1 (SKF)
Подшипник шариковый радиальный однорядный 6032-RS1 (SKF)
Подшипник однорядный шариковый радиальный 6032-2Z (SKF)
Однорядный цилиндрический роликовый подшипник NU1032 M (AST, SKF)