Главная > Однорядные >7032 ACDGA.P4A

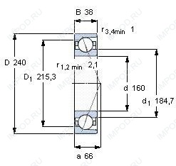
7032 ACDGA.P4A — Подшипник шариковый однорядный радиально-упорный, импортное производство по ISO стандарту, размер 160x240x38 номер основного исполнения 7032.
Производитель: SKF.
ACD = Угол контакта 25 градусов.
Цена от:26 581 р.
Цена на подшипник зависит от:
| Обозначение | Модификация |
|---|---|
| 7032 | Основное конструктивное исполнение. |
| 7032B | B = однокомпонентное ребристое внутреннее кольцо. |
| 7032F | Механически обработанный сепаратор из стали или чугуна, центрируемый по телам качения. |
| B7032 | |
| 7032 A | A = внутренняя модификация конструкции. |
| H7032C | С = Необслуживаемые концы стержней, внутренняя резьба. |
| 7032AC | AC = Угол контакта 25 градусов. |
| 7032DT | T = Механически обработанный сепаратор из текстолита, центрируемый по телам качения. |
| 7032P5 | P5 = Подшипники 5-го класса точности DIN |
| 7032 C | С = Необслуживаемые концы стержней, внутренняя резьба. |
| 7032CG | С = Необслуживаемые концы стержней, внутренняя резьба. |
| 7032DF | Комплект подшипников расположенных лицом к лицу, дуплексная Х-образная пара. |
| 7032DB | D = профиль наружного кольца, усовершенствованный, с увеличенной зоной несущей нагрузки и оптимизированными краевыми переходами. |
| H7032AC | AC = Угол контакта 25 градусов. |
| 7032CP4 | P4 = Точность размеров и вращения соответствуют классу точности 4 ISO. |
| 7032CDB | С = Необслуживаемые концы стержней, внутренняя резьба. |
| 7032CPA | С = Необслуживаемые концы стержней, внутренняя резьба. |
| 7032CP5 | P5 = Подшипники 5-го класса точности DIN |
| 7032DTBT | ТВ = текстолитовый сепаратор, центрируемый по внутреннему кольцу. |
| 7032 CDF | Комплект подшипников расположенных лицом к лицу, дуплексная Х-образная пара. |
| 7032 ADF | Комплект подшипников расположенных лицом к лицу, дуплексная Х-образная пара. |
| 7032 CDT | С = Необслуживаемые концы стержней, внутренняя резьба. |
| 7032 BDT | BD = Модифицированная внутренняя конструкция, угол контакта α = 30 градусов, без отверстия для заполнения. |
| 7032 ADB | A = Модифицированная внутренняя конструкция. DB = два однорядных радиальных шарикоподшипника, однорядные радиально-упорные шарикоподшипники или однорядные конические роликовые подшипники, подходящие для монтажа в расположении друг к другу. |
| 7032 ADT | T = Механически обработанный сепаратор из текстолита, центрируемый по телам качения. |
| 7032BDBT | B = 40 градусов угол контакта. DB = два однорядных радиальных шарикоподшипника, однорядные радиально-упорные шарикоподшипники или однорядные конические роликовые подшипники, подходящие для монтажа в расположении друг за другом. |
| 7032 BDB | B = 40 градусов угол контакта. DB = два однорядных радиальных шарикоподшипника, однорядные радиально-упорные шарикоподшипники или однорядные конические роликовые подшипники, подходящие для монтажа в расположении друг за другом. |
| 7032 BDF | B = 40 градусов угол контакта. DF = Два однорядных радиальных шарикоподшипника, однорядных радиально-упорных шарикоподшипника или однорядных конических роликоподшипника, согласованные для монтажа по Х-образной схеме. |
| 7032 A-UX | A = внутренняя модификация конструкции. |
| 7032 C-UD | С = Необслуживаемые концы стержней, внутренняя резьба. |
| 7032 A-UD | A = внутренняя модификация конструкции. |
| 7032 B-UO | B = однокомпонентное ребристое внутреннее кольцо. |
| 7032 A-UO | A = внутренняя модификация конструкции. |
| 7032CTRSU | С = Необслуживаемые концы стержней, внутренняя резьба. |
| 7032 B-UX | X = Внешние размеры, соответствующие международным стандартам. |
| 7032 C-UO | С = Необслуживаемые концы стержней, внутренняя резьба. |
| 7032 C-UX | С = Необслуживаемые концы стержней, внутренняя резьба. |
| 7032 B-UD | D = профиль наружного кольца, усовершенствованный, с увеличенной зоной несущей нагрузки и оптимизированными краевыми переходами. |
| 7032CDTBT | ТВ = текстолитовый сепаратор, центрируемый по внутреннему кольцу. |
| 7032 ATBP4 | ТВ = текстолитовый сепаратор, центрируемый по внутреннему кольцу. |
| H7032C/HQ1 | С = Необслуживаемые концы стержней, внутренняя резьба. |
| 7032CVUJ74 | J = Сепаратор стальной штампованный незакалённый. Сорт стали 7. |
| 7032A5TRSU | Угол контакта 25 градусов. |
| 7032 CTBP4 | ТВ = текстолитовый сепаратор, центрируемый по внутреннему кольцу. |
| 7032HVUJ74 | J = Сепаратор стальной штампованный незакалённый. Сорт стали 7. |
| 7032HVDUJ74 | DU = (RS1-SKF) = Уплотнительное контактное уплотнение из акрилонитрил-бутадиеновой резины (NBR) из листовой стали на одной стороне подшипника. |
| 7032CG/GLP4 | P4 = Точность размеров и вращения соответствуют классу точности 4 ISO. |
| H7032AC/HQ1 | AC = Угол контакта 25 градусов. |
| 7032 CD/P4A | CD = 15 градусов угол контакта. P4 = Точность размеров и вращения соответствуют классу точности 4 ISO. |
| 7032CVDUJ74 | DU = (RS1-SKF) = Уплотнительное контактное уплотнение из акрилонитрил-бутадиеновой резины (NBR) из листовой стали на одной стороне подшипника. |
Габаритные размеры
Конструкция и исполнение
Однорядный цилиндрический роликовый подшипник NU1032 (CX, CYSD, FAG, ISB, ISO)
Подшипник однорядный шариковый радиальный 6032 (CX, CYSD, ISB, ISO, KOYO)
Подшипник шариковый радиальный однорядный 132
Однорядный цилиндрический роликовый подшипник NU1032 M1 (FAG)
Подшипник однорядный шариковый радиальный 6032 ZZ (CX, CYSD, ISB, ISO, NIS)
Подшипник шариковый радиальный однорядный 132 Л