Главная > Подшипники> Шариковые> Радиально-упорные>7028 ACD/HCP4AH1

7028 ACD/HCP4AH1 — Прецизионный радиально-упорный шарикоподшипник, импортное производство по ISO стандарту, размер 210x140x33 номер основного исполнения 7028.
Производитель: SKF.
ACD = Угол контакта 25 градусов.
Цена от:11 373 р.
Цена на подшипник зависит от:
| Обозначение | Модификация |
|---|---|
| 7028 | Основное конструктивное исполнение. |
| 7028C | С = Необслуживаемые концы стержней, внутренняя резьба. |
| 7028DT | T = Механически обработанный сепаратор из текстолита, центрируемый по телам качения. |
| 7028 A | A = внутренняя модификация конструкции. |
| 7028BG | B = 40 градусов угол контакта. G = Однорядный радиально-упорный шарикоподшипник для универсального парного монтажа. Два подшипника, установленные по 0-образной или Х-образной схеме, будут иметь определенный осевой зазор в домонтажном состоянии. |
| H7028C | С = Необслуживаемые концы стержней, внутренняя резьба. |
| 7028CG | С = Необслуживаемые концы стержней, внутренняя резьба. |
| 7028 B | B = однокомпонентное ребристое внутреннее кольцо. |
| 7028DF | Комплект подшипников расположенных лицом к лицу, дуплексная Х-образная пара. |
| 7028AC | AC = Угол контакта 25 градусов. |
| 7028DB | D = профиль наружного кольца, усовершенствованный, с увеличенной зоной несущей нагрузки и оптимизированными краевыми переходами. |
| 7028CDF | Комплект подшипников расположенных лицом к лицу, дуплексная Х-образная пара. |
| H7028AC | AC = Угол контакта 25 градусов. |
| 7028CP5 | P5 = Подшипники 5-го класса точности DIN |
| 7028CDT | С = Необслуживаемые концы стержней, внутренняя резьба. |
| 7028CPA | С = Необслуживаемые концы стержней, внутренняя резьба. |
| 7028CP4 | P4 = Точность размеров и вращения соответствуют классу точности 4 ISO. |
| 7028 CDB | С = Необслуживаемые концы стержней, внутренняя резьба. |
| 7028T1DT | T = Механически обработанный сепаратор из текстолита, центрируемый по телам качения. |
| 7028 BDF | B = 40 градусов угол контакта. DF = Два однорядных радиальных шарикоподшипника, однорядных радиально-упорных шарикоподшипника или однорядных конических роликоподшипника, согласованные для монтажа по Х-образной схеме. |
| 7028 ADF | Комплект подшипников расположенных лицом к лицу, дуплексная Х-образная пара. |
| 7028 ADB | A = Модифицированная внутренняя конструкция. DB = два однорядных радиальных шарикоподшипника, однорядные радиально-упорные шарикоподшипники или однорядные конические роликовые подшипники, подходящие для монтажа в расположении друг к другу. |
| 7028 BDT | BD = Модифицированная внутренняя конструкция, угол контакта α = 30 градусов, без отверстия для заполнения. |
| 7028 BGM | B = 40 градусов угол контакта. G = Однорядный радиально-упорный шарикоподшипник для универсального парного монтажа. Два подшипника, установленные по 0-образной или Х-образной схеме, будут иметь определенный осевой зазор в домонтажном состоянии. |
| 7028 BDB | B = 40 градусов угол контакта. DB = два однорядных радиальных шарикоподшипника, однорядные радиально-упорные шарикоподшипники или однорядные конические роликовые подшипники, подходящие для монтажа в расположении друг за другом. |
| 7028 ADT | T = Механически обработанный сепаратор из текстолита, центрируемый по телам качения. |
| 7028 A-UO | A = внутренняя модификация конструкции. |
| 7028 C-UO | С = Необслуживаемые концы стержней, внутренняя резьба. |
| 7028 C-UD | С = Необслуживаемые концы стержней, внутренняя резьба. |
| 7028 A-UD | A = внутренняя модификация конструкции. |
| 7028 B-UX | X = Внешние размеры, соответствующие международным стандартам. |
| 7028 A-UX | A = внутренняя модификация конструкции. |
| 7028 B-UD | D = профиль наружного кольца, усовершенствованный, с увеличенной зоной несущей нагрузки и оптимизированными краевыми переходами. |
| 7028 C-UX | С = Необслуживаемые концы стержней, внутренняя резьба. |
| 7028 B-UO | B = однокомпонентное ребристое внутреннее кольцо. |
| 7028CTRSU | С = Необслуживаемые концы стержней, внутренняя резьба. |
| 7028T1DTP5 | P5 = Подшипники 5-го класса точности DIN |
| 7028 ATBP4 | ТВ = текстолитовый сепаратор, центрируемый по внутреннему кольцу. |
| 7028HVUJ74 | J = Сепаратор стальной штампованный незакалённый. Сорт стали 7. |
| 7028 MP.UA | A = внутренняя модификация конструкции. |
| H7028C/HQ1 | С = Необслуживаемые концы стержней, внутренняя резьба. |
| 7028 CTBP4 | ТВ = текстолитовый сепаратор, центрируемый по внутреннему кольцу. |
| 7028A5TRSU | Угол контакта 25 градусов. |
| 7028CVUJ74 | J = Сепаратор стальной штампованный незакалённый. Сорт стали 7. |
| H7028AC/HQ1 | AC = Угол контакта 25 градусов. |
| 7028DB/GHP4 | B = 40 градусов угол контакта. G = Однорядный радиально-упорный шарикоподшипник для универсального парного монтажа. Два подшипника, установленные по 0-образной или Х-образной схеме, будут иметь определенный осевой зазор в домонтажном состоянии. |
| 7028HVDUJ74 | DU = (RS1-SKF) = Уплотнительное контактное уплотнение из акрилонитрил-бутадиеновой резины (NBR) из листовой стали на одной стороне подшипника. |
| 7028CVDUJ74 | DU = (RS1-SKF) = Уплотнительное контактное уплотнение из акрилонитрил-бутадиеновой резины (NBR) из листовой стали на одной стороне подшипника. |
| 7028CG/GNP4 | GN = нормальная предварительная нагрузка. P = Литой сепаратор из стеклонаполненного полиамида 6,6, центрируемый по телам качения. |
| 7028 CD/P4A | CD = 15 градусов угол контакта. P4 = Точность размеров и вращения соответствуют классу точности 4 ISO. |
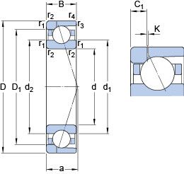
Габаритные размеры
Размеры и геометрические характеристики
Нагрузка и ресурс
Коэффициенты для расчета
Присоединительные размеры
Конструкция и исполнение
Прочие характеристики
Подшипник однорядный шариковый радиальный 6028 2RS1 (FAG, SKF)
Подшипник однорядный шариковый радиальный 6028 M (FAG, SKF)
Подшипник шариковый радиальный однорядный 6028-RS1 (SKF)