Главная > Подшипники> Шариковые> Радиально-упорные>7026 CD/HCP4AL

7026 CD/HCP4AL — Прецизионный радиально-упорный шарикоподшипник, импортное производство по ISO стандарту, размер 200x130x33 номер основного исполнения 7026.
Производитель: SKF.
P4 = Точность размеров и вращения соответствуют классу точности 4 ISO.
Цена от:14 126 р.
Цена на подшипник зависит от:
| Обозначение | Модификация |
|---|---|
| 7026 | Основное конструктивное исполнение. |
| 7026DB | D = профиль наружного кольца, усовершенствованный, с увеличенной зоной несущей нагрузки и оптимизированными краевыми переходами. |
| H7026C | С = Необслуживаемые концы стержней, внутренняя резьба. |
| HS7026 | |
| 7026AC | AC = Угол контакта 25 градусов. |
| 7026 B | B = однокомпонентное ребристое внутреннее кольцо. |
| 7026DF | Комплект подшипников расположенных лицом к лицу, дуплексная Х-образная пара. |
| 7026 C | С = Необслуживаемые концы стержней, внутренняя резьба. |
| 7026DT | T = Механически обработанный сепаратор из текстолита, центрируемый по телам качения. |
| 7026 A | A = внутренняя модификация конструкции. |
| 7026CDB | С = Необслуживаемые концы стержней, внутренняя резьба. |
| H7026AC | AC = Угол контакта 25 градусов. |
| 7026CDF | Комплект подшипников расположенных лицом к лицу, дуплексная Х-образная пара. |
| 7026BDB | B = 40 градусов угол контакта. DB = два однорядных радиальных шарикоподшипника, однорядные радиально-упорные шарикоподшипники или однорядные конические роликовые подшипники, подходящие для монтажа в расположении друг за другом. |
| 7026CPA | С = Необслуживаемые концы стержней, внутренняя резьба. |
| 7026 ADF | Комплект подшипников расположенных лицом к лицу, дуплексная Х-образная пара. |
| 7026 BDF | B = 40 градусов угол контакта. DF = Два однорядных радиальных шарикоподшипника, однорядных радиально-упорных шарикоподшипника или однорядных конических роликоподшипника, согласованные для монтажа по Х-образной схеме. |
| 7026 BDT | BD = Модифицированная внутренняя конструкция, угол контакта α = 30 градусов, без отверстия для заполнения. |
| 7026 ADT | T = Механически обработанный сепаратор из текстолита, центрируемый по телам качения. |
| 7026 ADB | A = Модифицированная внутренняя конструкция. DB = два однорядных радиальных шарикоподшипника, однорядные радиально-упорные шарикоподшипники или однорядные конические роликовые подшипники, подходящие для монтажа в расположении друг к другу. |
| 7026 CDT | С = Необслуживаемые концы стержней, внутренняя резьба. |
| 7026 A-UD | A = внутренняя модификация конструкции. |
| 7026 C-UX | С = Необслуживаемые концы стержней, внутренняя резьба. |
| 7026 A-UO | A = внутренняя модификация конструкции. |
| 7026 C-UD | С = Необслуживаемые концы стержней, внутренняя резьба. |
| 7026 A-UX | A = внутренняя модификация конструкции. |
| 7026 C-UO | С = Необслуживаемые концы стержней, внутренняя резьба. |
| 7026 B-UO | B = однокомпонентное ребристое внутреннее кольцо. |
| 7026 B-UX | X = Внешние размеры, соответствующие международным стандартам. |
| 7026CTRSU | С = Необслуживаемые концы стержней, внутренняя резьба. |
| 7026 B-UD | D = профиль наружного кольца, усовершенствованный, с увеличенной зоной несущей нагрузки и оптимизированными краевыми переходами. |
| H7026C/HQ1 | С = Необслуживаемые концы стержней, внутренняя резьба. |
| 7026 ATBP4 | ТВ = текстолитовый сепаратор, центрируемый по внутреннему кольцу. |
| 7026A5TRSU | Угол контакта 25 градусов. |
| 7026CVUJ74 | J = Сепаратор стальной штампованный незакалённый. Сорт стали 7. |
| 7026HVUJ74 | J = Сепаратор стальной штампованный незакалённый. Сорт стали 7. |
| 7026 CTBP4 | ТВ = текстолитовый сепаратор, центрируемый по внутреннему кольцу. |
| H7026AC/HQ1 | AC = Угол контакта 25 градусов. |
| 7026HVDUJ74 | DU = (RS1-SKF) = Уплотнительное контактное уплотнение из акрилонитрил-бутадиеновой резины (NBR) из листовой стали на одной стороне подшипника. |
| 7026 CD/P4A | CD = 15 градусов угол контакта. P4 = Точность размеров и вращения соответствуют классу точности 4 ISO. |
| 7026CVDUJ74 | DU = (RS1-SKF) = Уплотнительное контактное уплотнение из акрилонитрил-бутадиеновой резины (NBR) из листовой стали на одной стороне подшипника. |
| 7026 ACD/P4A | ACD = Угол контакта 25 градусов. P4 = Точность конструкции P4, точность хода P4. |
| 7026 CD/P4AL | CD = 15 градусов угол контакта. P4 = Точность размеров и вращения соответствуют классу точности 4 ISO. |
| S7026 CD/P4A | CD = 15 градусов угол контакта. P4 = Точность размеров и вращения соответствуют классу точности 4 ISO. |
| 7026UCG/GNP4 | GN = нормальная предварительная нагрузка. P = Литой сепаратор из стеклонаполненного полиамида 6,6, центрируемый по телам качения. |
| B7026-C-T-P4S | T = Нейлоновая клетка, армированная стекловолокном (радиальные роликовые подшипники). P = Литой сепаратор из стеклонаполненного полиамида 6,6, центрируемый по телам качения. |
| 7026 CD/HCP4A | P4 = Точность размеров и вращения соответствуют классу точности 4 ISO. |
| 7026 CDGA.P4A | P4 = Точность размеров и вращения соответствуют классу точности 4 ISO. |
| 7026 CD/P4AH1 | CD = 15 градусов угол контакта. P4 = Точность размеров и вращения соответствуют классу точности 4 ISO. |
| ML7026CVUJ74S | J = Сепаратор стальной штампованный незакалённый. Сорт стали 7. |
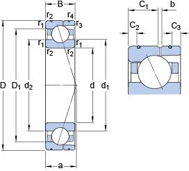
Габаритные размеры
Размеры и геометрические характеристики
Нагрузка и ресурс
Коэффициенты для расчета
Присоединительные размеры
Конструкция и исполнение
Прочие характеристики
Однорядный цилиндрический роликовый подшипник NU1026 M (NKE, SKF)
Однорядный цилиндрический роликовый подшипник NU1026 ML (NKE, SKF)
Подшипник однорядный шариковый радиальный 6026 2RS1 (FAG, SKF)
Подшипник шариковый радиальный 6026-2Z (FAG, SKF)
Подшипник шариковый радиальный однорядный 6026-RS1 (SKF)
Подшипник однорядный шариковый радиальный 6026 M (SKF)