Главная > Подшипники> Шариковые> Радиально-упорные>7024 ACE/HCP4AH1

7024 ACE/HCP4AH1 — Прецизионный радиально-упорный шарикоподшипник, импортное производство по ISO стандарту, размер 180x120x28 номер основного исполнения 7024.
Производитель: SKF.
P4 = Точность размеров и вращения соответствуют классу точности 4 ISO.
Цена от:11 504 р.
Цена на подшипник зависит от:
| Обозначение | Модификация |
|---|---|
| 7024 | Основное конструктивное исполнение. |
| B7024 | |
| 7024DB | D = профиль наружного кольца, усовершенствованный, с увеличенной зоной несущей нагрузки и оптимизированными краевыми переходами. |
| 7024 B | B = однокомпонентное ребристое внутреннее кольцо. |
| 7024DT | T = Механически обработанный сепаратор из текстолита, центрируемый по телам качения. |
| 7024 A | A = внутренняя модификация конструкции. |
| 7024AC | AC = Угол контакта 25 градусов. |
| 7024 C | С = Необслуживаемые концы стержней, внутренняя резьба. |
| H7024C | С = Необслуживаемые концы стержней, внутренняя резьба. |
| 7024DF | Комплект подшипников расположенных лицом к лицу, дуплексная Х-образная пара. |
| 7024CDT | С = Необслуживаемые концы стержней, внутренняя резьба. |
| 7024CPA | С = Необслуживаемые концы стержней, внутренняя резьба. |
| H7024AC | AC = Угол контакта 25 градусов. |
| 7024CDF | Комплект подшипников расположенных лицом к лицу, дуплексная Х-образная пара. |
| 7024 ADB | A = Модифицированная внутренняя конструкция. DB = два однорядных радиальных шарикоподшипника, однорядные радиально-упорные шарикоподшипники или однорядные конические роликовые подшипники, подходящие для монтажа в расположении друг к другу. |
| 7024 BGM | B = 40 градусов угол контакта. G = Однорядный радиально-упорный шарикоподшипник для универсального парного монтажа. Два подшипника, установленные по 0-образной или Х-образной схеме, будут иметь определенный осевой зазор в домонтажном состоянии. |
| 7024 ADT | T = Механически обработанный сепаратор из текстолита, центрируемый по телам качения. |
| 7024 BDT | BD = Модифицированная внутренняя конструкция, угол контакта α = 30 градусов, без отверстия для заполнения. |
| 7024 ADF | Комплект подшипников расположенных лицом к лицу, дуплексная Х-образная пара. |
| 7024 BDB | B = 40 градусов угол контакта. DB = два однорядных радиальных шарикоподшипника, однорядные радиально-упорные шарикоподшипники или однорядные конические роликовые подшипники, подходящие для монтажа в расположении друг за другом. |
| 7024 BDF | B = 40 градусов угол контакта. DF = Два однорядных радиальных шарикоподшипника, однорядных радиально-упорных шарикоподшипника или однорядных конических роликоподшипника, согласованные для монтажа по Х-образной схеме. |
| 7024 CDB | С = Необслуживаемые концы стержней, внутренняя резьба. |
| 7024 C-UX | С = Необслуживаемые концы стержней, внутренняя резьба. |
| 7024 B-UX | X = Внешние размеры, соответствующие международным стандартам. |
| 7024 A-UD | A = внутренняя модификация конструкции. |
| 7024 C-UD | С = Необслуживаемые концы стержней, внутренняя резьба. |
| 7024 A-UO | A = внутренняя модификация конструкции. |
| 7024 B-UD | D = профиль наружного кольца, усовершенствованный, с увеличенной зоной несущей нагрузки и оптимизированными краевыми переходами. |
| 7024 A-UX | A = внутренняя модификация конструкции. |
| 7024 B-UO | B = однокомпонентное ребристое внутреннее кольцо. |
| 7024CTRSU | С = Необслуживаемые концы стержней, внутренняя резьба. |
| 7024 C-UO | С = Необслуживаемые концы стержней, внутренняя резьба. |
| 7024 CTBP4 | ТВ = текстолитовый сепаратор, центрируемый по внутреннему кольцу. |
| 7024CVUJ74 | J = Сепаратор стальной штампованный незакалённый. Сорт стали 7. |
| 7024A5TRSU | Угол контакта 25 градусов. |
| 7024 MP.UA | A = внутренняя модификация конструкции. |
| 7024HVUJ74 | J = Сепаратор стальной штампованный незакалённый. Сорт стали 7. |
| H7024C/HQ1 | С = Необслуживаемые концы стержней, внутренняя резьба. |
| 7024 ATBP4 | ТВ = текстолитовый сепаратор, центрируемый по внутреннему кольцу. |
| 7024HVDUJ74 | DU = (RS1-SKF) = Уплотнительное контактное уплотнение из акрилонитрил-бутадиеновой резины (NBR) из листовой стали на одной стороне подшипника. |
| 7024 CD/P4A | CD = 15 градусов угол контакта. P4 = Точность размеров и вращения соответствуют классу точности 4 ISO. |
| 7024 CE/P4A | P4 = Точность размеров и вращения соответствуют классу точности 4 ISO. |
| 7024CVDUJ74 | DU = (RS1-SKF) = Уплотнительное контактное уплотнение из акрилонитрил-бутадиеновой резины (NBR) из листовой стали на одной стороне подшипника. |
| H7024AC/HQ1 | AC = Угол контакта 25 градусов. |
| 7024 CB/P4A | P4 = Точность размеров и вращения соответствуют классу точности 4 ISO. |
| 7024 CD/P4AL | CD = 15 градусов угол контакта. P4 = Точность размеров и вращения соответствуют классу точности 4 ISO. |
| 7024 CE/P4AL | P4 = Точность размеров и вращения соответствуют классу точности 4 ISO. |
| 7024 ACD/P4A | ACD = Угол контакта 25 градусов. P4 = Точность конструкции P4, точность хода P4. |
| S7024 CE/P4A | P4 = Точность размеров и вращения соответствуют классу точности 4 ISO. |
| S7024 CB/P4A | P4 = Точность размеров и вращения соответствуют классу точности 4 ISO. |
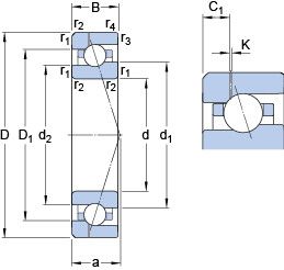
Габаритные размеры
Размеры и геометрические характеристики
Нагрузка и ресурс
Коэффициенты для расчета
Присоединительные размеры
Конструкция и исполнение
Прочие характеристики
Подшипник однорядный шариковый радиальный 6024 2Z (FAG, NKE, SKF)
Подшипник однорядный шариковый радиальный 6024-2Z/VA208 (SKF)
Подшипник однорядный шариковый радиальный 6024-2RS1 (SKF)
Подшипник однорядный шариковый радиальный 6024 MA (SKF)
Подшипник шариковый радиальный однорядный 6024-RS1 (SKF)
Однорядный цилиндрический роликоподшипник NJ 1024 ML (SKF)