Главная > Подшипники> Шариковые> Радиально-упорные>7021 ACD/P4AH1

7021 ACD/P4AH1 — Прецизионный радиально-упорный шарикоподшипник, импортное производство по ISO стандарту, размер 160x105x26 номер основного исполнения 7021.
Производитель: SKF.
ACD = Угол контакта 25 градусов. P4 = Точность конструкции P4, точность хода P4.
Цена от:10 324 р.
Цена на подшипник зависит от:
| Обозначение | Модификация |
|---|---|
| 7021 | Основное конструктивное исполнение. |
| 7021 B | B = однокомпонентное ребристое внутреннее кольцо. |
| 7021AC | AC = Угол контакта 25 градусов. |
| 7021DF | Комплект подшипников расположенных лицом к лицу, дуплексная Х-образная пара. |
| H7021C | С = Необслуживаемые концы стержней, внутренняя резьба. |
| 7021DT | T = Механически обработанный сепаратор из текстолита, центрируемый по телам качения. |
| HS7021 | |
| 7021 A | A = внутренняя модификация конструкции. |
| 7021DB | D = профиль наружного кольца, усовершенствованный, с увеличенной зоной несущей нагрузки и оптимизированными краевыми переходами. |
| 7021 C | С = Необслуживаемые концы стержней, внутренняя резьба. |
| 7021CDB | С = Необслуживаемые концы стержней, внутренняя резьба. |
| H7021AC | AC = Угол контакта 25 градусов. |
| 7021CDF | Комплект подшипников расположенных лицом к лицу, дуплексная Х-образная пара. |
| 7021CPA | С = Необслуживаемые концы стержней, внутренняя резьба. |
| 7021CDT | С = Необслуживаемые концы стержней, внутренняя резьба. |
| 7021 BDB | B = 40 градусов угол контакта. DB = два однорядных радиальных шарикоподшипника, однорядные радиально-упорные шарикоподшипники или однорядные конические роликовые подшипники, подходящие для монтажа в расположении друг за другом. |
| 7021 ADT | T = Механически обработанный сепаратор из текстолита, центрируемый по телам качения. |
| 7021 BDF | B = 40 градусов угол контакта. DF = Два однорядных радиальных шарикоподшипника, однорядных радиально-упорных шарикоподшипника или однорядных конических роликоподшипника, согласованные для монтажа по Х-образной схеме. |
| 7021 BDT | BD = Модифицированная внутренняя конструкция, угол контакта α = 30 градусов, без отверстия для заполнения. |
| 7021 ADB | A = Модифицированная внутренняя конструкция. DB = два однорядных радиальных шарикоподшипника, однорядные радиально-упорные шарикоподшипники или однорядные конические роликовые подшипники, подходящие для монтажа в расположении друг к другу. |
| 7021 ADF | Комплект подшипников расположенных лицом к лицу, дуплексная Х-образная пара. |
| 7021CTRSU | С = Необслуживаемые концы стержней, внутренняя резьба. |
| 7021 C-UX | С = Необслуживаемые концы стержней, внутренняя резьба. |
| 7021 B-UO | B = однокомпонентное ребристое внутреннее кольцо. |
| 7021 C-UO | С = Необслуживаемые концы стержней, внутренняя резьба. |
| 7021 B-UD | D = профиль наружного кольца, усовершенствованный, с увеличенной зоной несущей нагрузки и оптимизированными краевыми переходами. |
| 7021 A-UD | A = внутренняя модификация конструкции. |
| 7021 C-UD | С = Необслуживаемые концы стержней, внутренняя резьба. |
| 7021 A-UX | A = внутренняя модификация конструкции. |
| 7021 A-UO | A = внутренняя модификация конструкции. |
| 7021 B-UX | X = Внешние размеры, соответствующие международным стандартам. |
| 7021A5TRSU | Угол контакта 25 градусов. |
| H7021C/HQ1 | С = Необслуживаемые концы стержней, внутренняя резьба. |
| 7021 CTBP4 | ТВ = текстолитовый сепаратор, центрируемый по внутреннему кольцу. |
| 7021CVUJ74 | J = Сепаратор стальной штампованный незакалённый. Сорт стали 7. |
| 7021 ATBP4 | ТВ = текстолитовый сепаратор, центрируемый по внутреннему кольцу. |
| 7021HVUJ74 | J = Сепаратор стальной штампованный незакалённый. Сорт стали 7. |
| 7021CG/GNP4 | GN = нормальная предварительная нагрузка. P = Литой сепаратор из стеклонаполненного полиамида 6,6, центрируемый по телам качения. |
| 7021HVDUJ74 | DU = (RS1-SKF) = Уплотнительное контактное уплотнение из акрилонитрил-бутадиеновой резины (NBR) из листовой стали на одной стороне подшипника. |
| H7021AC/HQ1 | AC = Угол контакта 25 градусов. |
| 7021 CD/P4A | CD = 15 градусов угол контакта. P4 = Точность размеров и вращения соответствуют классу точности 4 ISO. |
| 7021CVDUJ74 | DU = (RS1-SKF) = Уплотнительное контактное уплотнение из акрилонитрил-бутадиеновой резины (NBR) из листовой стали на одной стороне подшипника. |
| 7021 CD/P4AL | CD = 15 градусов угол контакта. P4 = Точность размеров и вращения соответствуют классу точности 4 ISO. |
| 7021 ACD/P4A | ACD = Угол контакта 25 градусов. P4 = Точность конструкции P4, точность хода P4. |
| S7021 CD/P4A | CD = 15 градусов угол контакта. P4 = Точность размеров и вращения соответствуют классу точности 4 ISO. |
| 7021 CD/P4AH1 | CD = 15 градусов угол контакта. P4 = Точность размеров и вращения соответствуют классу точности 4 ISO. |
| B7021-C-T-P4S | T = Нейлоновая клетка, армированная стекловолокном (радиальные роликовые подшипники). P = Литой сепаратор из стеклонаполненного полиамида 6,6, центрируемый по телам качения. |
| B7021-E-T-P4S | E = (AC-SKF) = 25 градусов угол контакта. T = (сегмент TB-Cage) = текстильная слоистая Фенольный смола, направленная по наружному кольцу. сепаратор подходит для длительной эксплуатации при температуре до 100 градусов C. P = Литой сепаратор из стеклонаполненного полиамида 6,6, центрируемый по телам качения. |
| 7021 CDGA.P4A | P4 = Точность размеров и вращения соответствуют классу точности 4 ISO. |
| 7021 ACD/P4AL | ACD = Угол контакта 25 градусов. P4 = Точность конструкции P4, точность хода P4. |
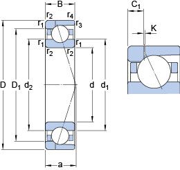
Габаритные размеры
Размеры и геометрические характеристики
Нагрузка и ресурс
Коэффициенты для расчета
Присоединительные размеры
Конструкция и исполнение
Прочие характеристики
Подшипник однорядный шариковый радиальный 6021 (AST, CRAFT, CX, CYSD, FAG)
Подшипник однорядный шариковый радиальный 6021 2RS1 (IBC, SKF)
Подшипник однорядный шариковый радиальный 6021 2Z (FAG, IBC, NKE, SKF)
Подшипник однорядный шариковый радиальный 6021 M (SKF)
Подшипник шариковый радиальный однорядный 6021-RS1 (SKF)
Однорядный цилиндрический роликовый подшипник NU1021 M (AST, SKF)