Главная > Подшипники> Шариковые> Радиально-упорные>7020 ACB/HCP4AL

7020 ACB/HCP4AL — Прецизионный радиально-упорный шарикоподшипник, импортное производство по ISO стандарту, размер 150x100x24 номер основного исполнения 7020.
Производитель: SKF.
P4 = Точность размеров и вращения соответствуют классу точности 4 ISO.
Цена от:13 677 р.
Цена на подшипник зависит от:
| Обозначение | Модификация |
|---|---|
| 7020 | Основное конструктивное исполнение. |
| B7020 | |
| 7020 B | B = однокомпонентное ребристое внутреннее кольцо. |
| 7020 A | A = внутренняя модификация конструкции. |
| H7020C | С = Необслуживаемые концы стержней, внутренняя резьба. |
| HS7020 | |
| 7020DF | Комплект подшипников расположенных лицом к лицу, дуплексная Х-образная пара. |
| 7020DT | T = Механически обработанный сепаратор из текстолита, центрируемый по телам качения. |
| 7020DB | D = профиль наружного кольца, усовершенствованный, с увеличенной зоной несущей нагрузки и оптимизированными краевыми переходами. |
| 7020AC | AC = Угол контакта 25 градусов. |
| 7020 C | С = Необслуживаемые концы стержней, внутренняя резьба. |
| H7020AC | AC = Угол контакта 25 градусов. |
| 7020CDT | С = Необслуживаемые концы стержней, внутренняя резьба. |
| 7020CPA | С = Необслуживаемые концы стержней, внутренняя резьба. |
| 7020CDF | Комплект подшипников расположенных лицом к лицу, дуплексная Х-образная пара. |
| 7020 ADB | A = Модифицированная внутренняя конструкция. DB = два однорядных радиальных шарикоподшипника, однорядные радиально-упорные шарикоподшипники или однорядные конические роликовые подшипники, подходящие для монтажа в расположении друг к другу. |
| 7020 BDF | B = 40 градусов угол контакта. DF = Два однорядных радиальных шарикоподшипника, однорядных радиально-упорных шарикоподшипника или однорядных конических роликоподшипника, согласованные для монтажа по Х-образной схеме. |
| 7020 BDB | B = 40 градусов угол контакта. DB = два однорядных радиальных шарикоподшипника, однорядные радиально-упорные шарикоподшипники или однорядные конические роликовые подшипники, подходящие для монтажа в расположении друг за другом. |
| 7020 BDT | BD = Модифицированная внутренняя конструкция, угол контакта α = 30 градусов, без отверстия для заполнения. |
| 7020 ADT | T = Механически обработанный сепаратор из текстолита, центрируемый по телам качения. |
| 7020 CDB | С = Необслуживаемые концы стержней, внутренняя резьба. |
| 7020 ADF | Комплект подшипников расположенных лицом к лицу, дуплексная Х-образная пара. |
| 7020 A-UO | A = внутренняя модификация конструкции. |
| 7020CTRSU | С = Необслуживаемые концы стержней, внутренняя резьба. |
| 7020 C-UX | С = Необслуживаемые концы стержней, внутренняя резьба. |
| 7020 B-UX | X = Внешние размеры, соответствующие международным стандартам. |
| 7020 B-UO | B = однокомпонентное ребристое внутреннее кольцо. |
| 7020 A-UD | A = внутренняя модификация конструкции. |
| 7020 A-UX | A = внутренняя модификация конструкции. |
| 7020 C-UO | С = Необслуживаемые концы стержней, внутренняя резьба. |
| 7020 B-UD | D = профиль наружного кольца, усовершенствованный, с увеличенной зоной несущей нагрузки и оптимизированными краевыми переходами. |
| 7020 C-UD | С = Необслуживаемые концы стержней, внутренняя резьба. |
| 7020 ATBP4 | ТВ = текстолитовый сепаратор, центрируемый по внутреннему кольцу. |
| H7020C/HQ1 | С = Необслуживаемые концы стержней, внутренняя резьба. |
| 7020A5TRSU | Угол контакта 25 градусов. |
| 7020CVUJ74 | J = Сепаратор стальной штампованный незакалённый. Сорт стали 7. |
| 7020 CTBP4 | ТВ = текстолитовый сепаратор, центрируемый по внутреннему кольцу. |
| 7020HVUJ74 | J = Сепаратор стальной штампованный незакалённый. Сорт стали 7. |
| 7020CVDUJ74 | DU = (RS1-SKF) = Уплотнительное контактное уплотнение из акрилонитрил-бутадиеновой резины (NBR) из листовой стали на одной стороне подшипника. |
| H7020AC/HQ1 | AC = Угол контакта 25 градусов. |
| 7020HVDUJ74 | DU = (RS1-SKF) = Уплотнительное контактное уплотнение из акрилонитрил-бутадиеновой резины (NBR) из листовой стали на одной стороне подшипника. |
| 7020 CD/P4A | CD = 15 градусов угол контакта. P4 = Точность размеров и вращения соответствуют классу точности 4 ISO. |
| 7020 CE/P4A | P4 = Точность размеров и вращения соответствуют классу точности 4 ISO. |
| 7020CG/GLP4 | P4 = Точность размеров и вращения соответствуют классу точности 4 ISO. |
| 7020 CB/P4A | P4 = Точность размеров и вращения соответствуют классу точности 4 ISO. |
| 7020 CD/P4AL | CD = 15 градусов угол контакта. P4 = Точность размеров и вращения соответствуют классу точности 4 ISO. |
| 7020 CB/P4AL | P4 = Точность размеров и вращения соответствуют классу точности 4 ISO. |
| 7020 ACE/P4A | AC = Угол контакта 25 градусов. |
| 7020CDB/GNP4 | GN = нормальная предварительная нагрузка. P = Литой сепаратор из стеклонаполненного полиамида 6,6, центрируемый по телам качения. |
| 7020 ACD/P4A | ACD = Угол контакта 25 градусов. P4 = Точность конструкции P4, точность хода P4. |
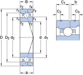
Габаритные размеры
Размеры и геометрические характеристики
Нагрузка и ресурс
Коэффициенты для расчета
Присоединительные размеры
Конструкция и исполнение
Прочие характеристики
Однорядный цилиндрический роликовый подшипник NU1020 ML (NKE, SKF)
Подшипник однорядный шариковый радиальный 6020-2RS1 (SKF)
Подшипник однорядный шариковый радиальный 6020 M (SKF)
Подшипник шариковый радиальный однорядный 6020-RS1 (SKF)
Однорядный цилиндрический роликовый подшипник NU1020 M (AST, SKF)