Главная > Подшипники> Шариковые> Радиально-упорные>7016 ACE/HCP4AH1

7016 ACE/HCP4AH1 — Прецизионный радиально-упорный шарикоподшипник, импортное производство по ISO стандарту, размер 125x80x22 номер основного исполнения 7016.
Производитель: SKF.
P4 = Точность размеров и вращения соответствуют классу точности 4 ISO.
Цена от:10 173 р.
Цена на подшипник зависит от:
| Обозначение | Модификация |
|---|---|
| 7016 | Основное конструктивное исполнение. |
| B7016 | |
| 7016AC | AC = Угол контакта 25 градусов. |
| 7016 B | B = однокомпонентное ребристое внутреннее кольцо. |
| H7016C | С = Необслуживаемые концы стержней, внутренняя резьба. |
| HS7016 | |
| 7016DB | D = профиль наружного кольца, усовершенствованный, с увеличенной зоной несущей нагрузки и оптимизированными краевыми переходами. |
| 7016DT | T = Механически обработанный сепаратор из текстолита, центрируемый по телам качения. |
| 7016DF | Комплект подшипников расположенных лицом к лицу, дуплексная Х-образная пара. |
| 7016 A | A = внутренняя модификация конструкции. |
| 7016 C | С = Необслуживаемые концы стержней, внутренняя резьба. |
| 7016CPA | С = Необслуживаемые концы стержней, внутренняя резьба. |
| 7016CDF | Комплект подшипников расположенных лицом к лицу, дуплексная Х-образная пара. |
| H7016AC | AC = Угол контакта 25 градусов. |
| 7016CDB | С = Необслуживаемые концы стержней, внутренняя резьба. |
| 7016 CDT | С = Необслуживаемые концы стержней, внутренняя резьба. |
| 7016 ADT | T = Механически обработанный сепаратор из текстолита, центрируемый по телам качения. |
| 7016 BDF | B = 40 градусов угол контакта. DF = Два однорядных радиальных шарикоподшипника, однорядных радиально-упорных шарикоподшипника или однорядных конических роликоподшипника, согласованные для монтажа по Х-образной схеме. |
| 7016 ADF | Комплект подшипников расположенных лицом к лицу, дуплексная Х-образная пара. |
| 7016 ADB | A = Модифицированная внутренняя конструкция. DB = два однорядных радиальных шарикоподшипника, однорядные радиально-упорные шарикоподшипники или однорядные конические роликовые подшипники, подходящие для монтажа в расположении друг к другу. |
| 7016 BDB | B = 40 градусов угол контакта. DB = два однорядных радиальных шарикоподшипника, однорядные радиально-упорные шарикоподшипники или однорядные конические роликовые подшипники, подходящие для монтажа в расположении друг за другом. |
| 7016 BDT | BD = Модифицированная внутренняя конструкция, угол контакта α = 30 градусов, без отверстия для заполнения. |
| 7016UCP4 | P4 = Точность размеров и вращения соответствуют классу точности 4 ISO. |
| 7016 C-UX | С = Необслуживаемые концы стержней, внутренняя резьба. |
| 7016 A-UX | A = внутренняя модификация конструкции. |
| 7016 B-UD | D = профиль наружного кольца, усовершенствованный, с увеличенной зоной несущей нагрузки и оптимизированными краевыми переходами. |
| 7016 C-UD | С = Необслуживаемые концы стержней, внутренняя резьба. |
| 7016CTRSU | С = Необслуживаемые концы стержней, внутренняя резьба. |
| 7016 A-UO | A = внутренняя модификация конструкции. |
| 7016 B-UX | X = Внешние размеры, соответствующие международным стандартам. |
| 7016 B-UO | B = однокомпонентное ребристое внутреннее кольцо. |
| 7016 A-UD | A = внутренняя модификация конструкции. |
| 7016 C-UO | С = Необслуживаемые концы стержней, внутренняя резьба. |
| 7016A5TRSU | Угол контакта 25 градусов. |
| 7016HVUJ74 | J = Сепаратор стальной штампованный незакалённый. Сорт стали 7. |
| H7016C/HQ1 | С = Необслуживаемые концы стержней, внутренняя резьба. |
| 7016 ATBP4 | ТВ = текстолитовый сепаратор, центрируемый по внутреннему кольцу. |
| 7016CVUJ74 | J = Сепаратор стальной штампованный незакалённый. Сорт стали 7. |
| 7016 CTBP4 | ТВ = текстолитовый сепаратор, центрируемый по внутреннему кольцу. |
| 7016 CB/P4A | P4 = Точность размеров и вращения соответствуют классу точности 4 ISO. |
| 7016CVDUJ74 | DU = (RS1-SKF) = Уплотнительное контактное уплотнение из акрилонитрил-бутадиеновой резины (NBR) из листовой стали на одной стороне подшипника. |
| 7016 CE/P4A | P4 = Точность размеров и вращения соответствуют классу точности 4 ISO. |
| H7016AC/HQ1 | AC = Угол контакта 25 градусов. |
| 7016HVDUJ74 | DU = (RS1-SKF) = Уплотнительное контактное уплотнение из акрилонитрил-бутадиеновой резины (NBR) из листовой стали на одной стороне подшипника. |
| 7016 CD/P4A | CD = 15 градусов угол контакта. P4 = Точность размеров и вращения соответствуют классу точности 4 ISO. |
| 7016HVQUJ74 | J = Сепаратор стальной штампованный незакалённый. Сорт стали 7. |
| 7016CG/GNP4 | GN = нормальная предварительная нагрузка. P = Литой сепаратор из стеклонаполненного полиамида 6,6, центрируемый по телам качения. |
| 7016UCG/GNP4 | GN = нормальная предварительная нагрузка. P = Литой сепаратор из стеклонаполненного полиамида 6,6, центрируемый по телам качения. |
| S7016 CE/P4A | P4 = Точность размеров и вращения соответствуют классу точности 4 ISO. |
| S7016 CD/P4A | CD = 15 градусов угол контакта. P4 = Точность размеров и вращения соответствуют классу точности 4 ISO. |
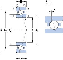
Габаритные размеры
Размеры и геометрические характеристики
Нагрузка и ресурс
Коэффициенты для расчета
Присоединительные размеры
Конструкция и исполнение
Прочие характеристики
Подшипник однорядный шариковый радиальный 6016-2RS1 (SKF)
Подшипник однорядный шариковый радиальный 6016-RS1 (SKF)
Однорядный цилиндрический роликоподшипник NJ 1016 ECML (SKF)
Однорядный цилиндрический роликоподшипник NU 1016 ECM (SKF)
Однорядный цилиндрический роликовый подшипник NU1016 (CX, CYSD, FBJ, ISB, ISO)