Главная > Подшипники> Шариковые> Радиально-упорные>7011 ACE/P4AH1

7011 ACE/P4AH1 — Прецизионный радиально-упорный шарикоподшипник, импортное производство по ISO стандарту, размер 90x55x18 номер основного исполнения 7011.
Производитель: SKF.
P4 = Точность размеров и вращения соответствуют классу точности 4 ISO.
Цена от:3 772 р.
Цена на подшипник зависит от:
| Обозначение | Модификация |
|---|---|
| 7011 | Основное конструктивное исполнение. |
| B7011 | |
| 7011DT | T = Механически обработанный сепаратор из текстолита, центрируемый по телам качения. |
| 7011DF | Комплект подшипников расположенных лицом к лицу, дуплексная Х-образная пара. |
| HS7011 | |
| 7011AC | AC = Угол контакта 25 градусов. |
| 7011DB | D = профиль наружного кольца, усовершенствованный, с увеличенной зоной несущей нагрузки и оптимизированными краевыми переходами. |
| 7011 B | B = однокомпонентное ребристое внутреннее кольцо. |
| 7011 C | С = Необслуживаемые концы стержней, внутренняя резьба. |
| 7011 A | A = внутренняя модификация конструкции. |
| 7011CP4 | P4 = Точность размеров и вращения соответствуют классу точности 4 ISO. |
| 7011CPA | С = Необслуживаемые концы стержней, внутренняя резьба. |
| 7011CDB | С = Необслуживаемые концы стержней, внутренняя резьба. |
| 7011CDF | Комплект подшипников расположенных лицом к лицу, дуплексная Х-образная пара. |
| 7011 CDT | С = Необслуживаемые концы стержней, внутренняя резьба. |
| 7011UCP4 | P4 = Точность размеров и вращения соответствуют классу точности 4 ISO. |
| 7011 ADF | Комплект подшипников расположенных лицом к лицу, дуплексная Х-образная пара. |
| 7011 ADB | A = Модифицированная внутренняя конструкция. DB = два однорядных радиальных шарикоподшипника, однорядные радиально-упорные шарикоподшипники или однорядные конические роликовые подшипники, подходящие для монтажа в расположении друг к другу. |
| 7011 BDB | B = 40 градусов угол контакта. DB = два однорядных радиальных шарикоподшипника, однорядные радиально-упорные шарикоподшипники или однорядные конические роликовые подшипники, подходящие для монтажа в расположении друг за другом. |
| 7011 BDT | BD = Модифицированная внутренняя конструкция, угол контакта α = 30 градусов, без отверстия для заполнения. |
| 7011 ADT | T = Механически обработанный сепаратор из текстолита, центрируемый по телам качения. |
| 7011 BDF | B = 40 градусов угол контакта. DF = Два однорядных радиальных шарикоподшипника, однорядных радиально-упорных шарикоподшипника или однорядных конических роликоподшипника, согласованные для монтажа по Х-образной схеме. |
| 7011 C-UX | С = Необслуживаемые концы стержней, внутренняя резьба. |
| 7011CTRSU | С = Необслуживаемые концы стержней, внутренняя резьба. |
| 7011 A-UX | A = внутренняя модификация конструкции. |
| 7011 A-UD | A = внутренняя модификация конструкции. |
| 7011 B-UD | D = профиль наружного кольца, усовершенствованный, с увеличенной зоной несущей нагрузки и оптимизированными краевыми переходами. |
| 7011 C-UO | С = Необслуживаемые концы стержней, внутренняя резьба. |
| 7011 A-UO | A = внутренняя модификация конструкции. |
| 7011 B-UO | B = однокомпонентное ребристое внутреннее кольцо. |
| 7011 B-UX | X = Внешние размеры, соответствующие международным стандартам. |
| 7011 C-UD | С = Необслуживаемые концы стержней, внутренняя резьба. |
| 7011A5TRSU | Угол контакта 25 градусов. |
| 7011 CTBP4 | ТВ = текстолитовый сепаратор, центрируемый по внутреннему кольцу. |
| 7011HVUJ74 | J = Сепаратор стальной штампованный незакалённый. Сорт стали 7. |
| 7011 ATBP4 | ТВ = текстолитовый сепаратор, центрируемый по внутреннему кольцу. |
| 7011CVUJ74 | J = Сепаратор стальной штампованный незакалённый. Сорт стали 7. |
| 7011CVDUJ74 | DU = (RS1-SKF) = Уплотнительное контактное уплотнение из акрилонитрил-бутадиеновой резины (NBR) из листовой стали на одной стороне подшипника. |
| S7011 FW/HC | С = Необслуживаемые концы стержней, внутренняя резьба. |
| 7011 CB/P4A | P4 = Точность размеров и вращения соответствуют классу точности 4 ISO. |
| 3NC 7011 FT | T = Механически обработанный сепаратор из текстолита, центрируемый по телам качения. |
| 7011 CE/P4A | P4 = Точность размеров и вращения соответствуют классу точности 4 ISO. |
| 7011HVDUJ74 | DU = (RS1-SKF) = Уплотнительное контактное уплотнение из акрилонитрил-бутадиеновой резины (NBR) из листовой стали на одной стороне подшипника. |
| 7011 CD/P4A | CD = 15 градусов угол контакта. P4 = Точность размеров и вращения соответствуют классу точности 4 ISO. |
| 7011 ACB/P4A | AC = Угол контакта 25 градусов. |
| 7011 CB/P4AL | P4 = Точность размеров и вращения соответствуют классу точности 4 ISO. |
| 7011UCG/GNP4 | GN = нормальная предварительная нагрузка. P = Литой сепаратор из стеклонаполненного полиамида 6,6, центрируемый по телам качения. |
| S7011 CB/P4A | P4 = Точность размеров и вращения соответствуют классу точности 4 ISO. |
| 7011 ACD/P4A | ACD = Угол контакта 25 градусов. P4 = Точность конструкции P4, точность хода P4. |
| 7011UDB/GMP5 | М = Механически обработанный латунный сепаратор, центрируемый по телам качения. P5 = Точность размеров и вращения соответствуют классу точности 5 ISO. |
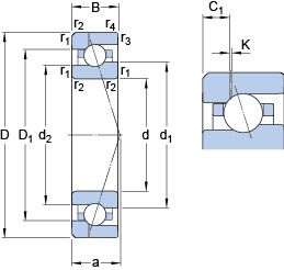
Габаритные размеры
Размеры и геометрические характеристики
Нагрузка и ресурс
Коэффициенты для расчета
Присоединительные размеры
Конструкция и исполнение
Прочие характеристики