Главная > Подшипники> Шариковые> Радиально-упорные>7003 ACE/P4AH

7003 ACE/P4AH — Прецизионный радиально-упорный шарикоподшипник, импортное производство по ISO стандарту, размер 35x17x10 номер основного исполнения 7003.
Производитель: SKF.
P4 = Точность размеров и вращения соответствуют классу точности 4 ISO.
Цена от:2 081 р.
Цена на подшипник зависит от:
| Обозначение | Модификация |
|---|---|
| 7003 | Основное конструктивное исполнение. |
| B7003 | |
| HS7003 | |
| 7003DB | D = профиль наружного кольца, усовершенствованный, с увеличенной зоной несущей нагрузки и оптимизированными краевыми переходами. |
| 7003 B | B = однокомпонентное ребристое внутреннее кольцо. |
| 7003 C | С = Необслуживаемые концы стержней, внутренняя резьба. |
| 7003 A | A = внутренняя модификация конструкции. |
| 7003DT | T = Механически обработанный сепаратор из текстолита, центрируемый по телам качения. |
| 7003DF | Комплект подшипников расположенных лицом к лицу, дуплексная Х-образная пара. |
| 7003AC | AC = Угол контакта 25 градусов. |
| NC7003V | V = Увеличенная грузоподъемность, внутренняя модификация конструкции. |
| 7003CPA | С = Необслуживаемые концы стержней, внутренняя резьба. |
| 7003DFT | Комплект подшипников расположенных лицом к лицу, дуплексная Х-образная пара. |
| 7003 ADF | Комплект подшипников расположенных лицом к лицу, дуплексная Х-образная пара. |
| 7003 BDT | BD = Модифицированная внутренняя конструкция, угол контакта α = 30 градусов, без отверстия для заполнения. |
| 7003 ADB | A = Модифицированная внутренняя конструкция. DB = два однорядных радиальных шарикоподшипника, однорядные радиально-упорные шарикоподшипники или однорядные конические роликовые подшипники, подходящие для монтажа в расположении друг к другу. |
| 7003 BDB | B = 40 градусов угол контакта. DB = два однорядных радиальных шарикоподшипника, однорядные радиально-упорные шарикоподшипники или однорядные конические роликовые подшипники, подходящие для монтажа в расположении друг за другом. |
| 7003 BDF | B = 40 градусов угол контакта. DF = Два однорядных радиальных шарикоподшипника, однорядных радиально-упорных шарикоподшипника или однорядных конических роликоподшипника, согласованные для монтажа по Х-образной схеме. |
| 7003 CDT | С = Необслуживаемые концы стержней, внутренняя резьба. |
| 7003 ADT | T = Механически обработанный сепаратор из текстолита, центрируемый по телам качения. |
| 7003 CDF | Комплект подшипников расположенных лицом к лицу, дуплексная Х-образная пара. |
| 7003 CDB | С = Необслуживаемые концы стержней, внутренняя резьба. |
| 7003 B-UD | D = профиль наружного кольца, усовершенствованный, с увеличенной зоной несущей нагрузки и оптимизированными краевыми переходами. |
| 7003 C-UD | С = Необслуживаемые концы стержней, внутренняя резьба. |
| 7003 C-UO | С = Необслуживаемые концы стержней, внутренняя резьба. |
| 7003 C-UX | С = Необслуживаемые концы стержней, внутренняя резьба. |
| 7003CTRSU | С = Необслуживаемые концы стержней, внутренняя резьба. |
| 7003 A-UD | A = внутренняя модификация конструкции. |
| 7003 B-UX | X = Внешние размеры, соответствующие международным стандартам. |
| 7003 A-UO | A = внутренняя модификация конструкции. |
| 7003 A-UX | A = внутренняя модификация конструкции. |
| 7003 B-UO | B = однокомпонентное ребристое внутреннее кольцо. |
| 7003G/GMP4 | М = Механически обработанный латунный сепаратор, центрируемый по телам качения. P4 = Точность размеров и вращения соответствуют классу точности 4 ISO. |
| 7003CVUJ74 | J = Сепаратор стальной штампованный незакалённый. Сорт стали 7. |
| 7003HVUJ74 | J = Сепаратор стальной штампованный незакалённый. Сорт стали 7. |
| 7003 CTBP4 | ТВ = текстолитовый сепаратор, центрируемый по внутреннему кольцу. |
| 7003 ATBP4 | ТВ = текстолитовый сепаратор, центрируемый по внутреннему кольцу. |
| 7003A5TRSU | Угол контакта 25 градусов. |
| 7003HVDUJ74 | DU = (RS1-SKF) = Уплотнительное контактное уплотнение из акрилонитрил-бутадиеновой резины (NBR) из листовой стали на одной стороне подшипника. |
| 7003UG/GNP4 | GN = нормальная предварительная нагрузка. P = Литой сепаратор из стеклонаполненного полиамида 6,6, центрируемый по телам качения. |
| 7003 CE/P4A | P4 = Точность размеров и вращения соответствуют классу точности 4 ISO. |
| 7003 CD/P4A | CD = 15 градусов угол контакта. P4 = Точность размеров и вращения соответствуют классу точности 4 ISO. |
| 7003CVDUJ74 | DU = (RS1-SKF) = Уплотнительное контактное уплотнение из акрилонитрил-бутадиеновой резины (NBR) из листовой стали на одной стороне подшипника. |
| 7003 CD/P4AH | CD = 15 градусов угол контакта. P4 = Точность размеров и вращения соответствуют классу точности 4 ISO. |
| S7003 CE/P4A | P4 = Точность размеров и вращения соответствуют классу точности 4 ISO. |
| S7003 CD/P4A | CD = 15 градусов угол контакта. P4 = Точность размеров и вращения соответствуют классу точности 4 ISO. |
| 7003UCG/GNP4 | GN = нормальная предварительная нагрузка. P = Литой сепаратор из стеклонаполненного полиамида 6,6, центрируемый по телам качения. |
| 7003 ACE/P4A | AC = Угол контакта 25 градусов. |
| 7003 ACD/P4A | ACD = Угол контакта 25 градусов. P4 = Точность конструкции P4, точность хода P4. |
| 7003 CE/P4AH | P4 = Точность размеров и вращения соответствуют классу точности 4 ISO. |
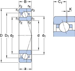
Габаритные размеры
Размеры и геометрические характеристики
Нагрузка и ресурс
Коэффициенты для расчета
Присоединительные размеры
Конструкция и исполнение
Прочие характеристики
Подшипник шариковый из нержавеющей стали W 6003 (SKF)
Подшипник шариковый радиальный однорядный E2.6003-2RSH (SKF)
Подшипник шариковый радиальный однорядный E2.6003-2Z (SKF)
радиальный шарикоподшипник из нержавеющей стали W 6003-2RZ (SKF)
радиальный шарикоподшипник из нержавеющей стали W 6003-2Z (SKF)
Подшипник шариковый из нержавеющей стали W 6003-2RS1 (SKF)