Главная > Подшипники> Шариковые> Радиально-упорные>7001 CD/HCP4AH

7001 CD/HCP4AH — Прецизионный радиально-упорный шарикоподшипник, импортное производство по ISO стандарту, размер 28x12x8 номер основного исполнения 7001.
Производитель: SKF.
P4 = Точность размеров и вращения соответствуют классу точности 4 ISO.
Цена от:2 061 р.
Цена на подшипник зависит от:
| Обозначение | Модификация |
|---|---|
| 7001 | Основное конструктивное исполнение. |
| B7001 | |
| 7001DT | T = Механически обработанный сепаратор из текстолита, центрируемый по телам качения. |
| 7001DB | D = профиль наружного кольца, усовершенствованный, с увеличенной зоной несущей нагрузки и оптимизированными краевыми переходами. |
| 7001DF | Комплект подшипников расположенных лицом к лицу, дуплексная Х-образная пара. |
| 7001 C | С = Необслуживаемые концы стержней, внутренняя резьба. |
| 7001 A | A = внутренняя модификация конструкции. |
| 7001 B | B = однокомпонентное ребристое внутреннее кольцо. |
| 7001AC | AC = Угол контакта 25 градусов. |
| 7001CDB | С = Необслуживаемые концы стержней, внутренняя резьба. |
| NC7001V | V = Увеличенная грузоподъемность, внутренняя модификация конструкции. |
| 7001CDT | С = Необслуживаемые концы стержней, внутренняя резьба. |
| 7001CPA | С = Необслуживаемые концы стержней, внутренняя резьба. |
| 7001 BDF | B = 40 градусов угол контакта. DF = Два однорядных радиальных шарикоподшипника, однорядных радиально-упорных шарикоподшипника или однорядных конических роликоподшипника, согласованные для монтажа по Х-образной схеме. |
| 7001 BDT | BD = Модифицированная внутренняя конструкция, угол контакта α = 30 градусов, без отверстия для заполнения. |
| 7001 CDF | Комплект подшипников расположенных лицом к лицу, дуплексная Х-образная пара. |
| 7001 ADF | Комплект подшипников расположенных лицом к лицу, дуплексная Х-образная пара. |
| 7001 ADB | A = Модифицированная внутренняя конструкция. DB = два однорядных радиальных шарикоподшипника, однорядные радиально-упорные шарикоподшипники или однорядные конические роликовые подшипники, подходящие для монтажа в расположении друг к другу. |
| 7001 ADT | T = Механически обработанный сепаратор из текстолита, центрируемый по телам качения. |
| 7001 BDB | B = 40 градусов угол контакта. DB = два однорядных радиальных шарикоподшипника, однорядные радиально-упорные шарикоподшипники или однорядные конические роликовые подшипники, подходящие для монтажа в расположении друг за другом. |
| 7001 A-UD | A = внутренняя модификация конструкции. |
| 7001 C-UO | С = Необслуживаемые концы стержней, внутренняя резьба. |
| 7001 B-UO | B = однокомпонентное ребристое внутреннее кольцо. |
| 7001CTRSU | С = Необслуживаемые концы стержней, внутренняя резьба. |
| 7001 B-UD | D = профиль наружного кольца, усовершенствованный, с увеличенной зоной несущей нагрузки и оптимизированными краевыми переходами. |
| 7001 A-UO | A = внутренняя модификация конструкции. |
| 7001 C-UD | С = Необслуживаемые концы стержней, внутренняя резьба. |
| 7001 B-UX | X = Внешние размеры, соответствующие международным стандартам. |
| 7001 C-UX | С = Необслуживаемые концы стержней, внутренняя резьба. |
| 7001 A-UX | A = внутренняя модификация конструкции. |
| 7001 ATBP4 | ТВ = текстолитовый сепаратор, центрируемый по внутреннему кольцу. |
| 7001A5TRSU | Угол контакта 25 градусов. |
| 7001CVUJ74 | J = Сепаратор стальной штампованный незакалённый. Сорт стали 7. |
| 7001G/GMP4 | М = Механически обработанный латунный сепаратор, центрируемый по телам качения. P4 = Точность размеров и вращения соответствуют классу точности 4 ISO. |
| 7001 CTBP4 | ТВ = текстолитовый сепаратор, центрируемый по внутреннему кольцу. |
| 7001HVUJ74 | J = Сепаратор стальной штампованный незакалённый. Сорт стали 7. |
| 7001CVDUJ74 | DU = (RS1-SKF) = Уплотнительное контактное уплотнение из акрилонитрил-бутадиеновой резины (NBR) из листовой стали на одной стороне подшипника. |
| 7001HVDUJ74 | DU = (RS1-SKF) = Уплотнительное контактное уплотнение из акрилонитрил-бутадиеновой резины (NBR) из листовой стали на одной стороне подшипника. |
| 7001CG/GNP4 | GN = нормальная предварительная нагрузка. P = Литой сепаратор из стеклонаполненного полиамида 6,6, центрируемый по телам качения. |
| 7001 CD/P4A | CD = 15 градусов угол контакта. P4 = Точность размеров и вращения соответствуют классу точности 4 ISO. |
| 7001 CE/P4A | P4 = Точность размеров и вращения соответствуют классу точности 4 ISO. |
| 7001 CE/P4AH | P4 = Точность размеров и вращения соответствуют классу точности 4 ISO. |
| 7001 CD/P4AH | CD = 15 градусов угол контакта. P4 = Точность размеров и вращения соответствуют классу точности 4 ISO. |
| S7001 CE/P4A | P4 = Точность размеров и вращения соответствуют классу точности 4 ISO. |
| 7001CDB/GNP5 | GN = нормальная предварительная нагрузка. P = Литой сепаратор из стеклонаполненного полиамида 6,6, центрируемый по телам качения. |
| 7001CG/GNP42 | GN = нормальная предварительная нагрузка. P = Литой сепаратор из стеклонаполненного полиамида 6,6, центрируемый по телам качения. |
| S7001 CD/P4A | CD = 15 градусов угол контакта. P4 = Точность размеров и вращения соответствуют классу точности 4 ISO. |
| 7001CG/GMP42 | М = Механически обработанный латунный сепаратор, центрируемый по телам качения. P4 = Точность размеров и вращения соответствуют классу точности 4 ISO. |
| 7001 ACD/P4A | ACD = Угол контакта 25 градусов. P4 = Точность конструкции P4, точность хода P4. |
| 7001UCG/GNP4 | GN = нормальная предварительная нагрузка. P = Литой сепаратор из стеклонаполненного полиамида 6,6, центрируемый по телам качения. |
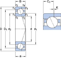
Габаритные размеры
Размеры и геометрические характеристики
Нагрузка и ресурс
Коэффициенты для расчета
Присоединительные размеры
Конструкция и исполнение
Прочие характеристики
Подшипник шариковый из нержавеющей стали W 6001 (SKF)
Подшипник шариковый из нержавеющей стали W 6001-2RS1 (SKF)
радиальный шарикоподшипник из нержавеющей стали W 6001-2RZ (SKF)
Подшипник шариковый из нержавеющей стали W 6001-2RS1/VP311 (SKF)
Подшипник шариковый из нержавеющей стали W 6001-2Z (SKF)