Главная > Подшипники> Шариковые> Радиально-упорные>70/600 AGMB

70/600 AGMB — однорядный радиально-упорный шарикоподшипник, импортное производство по ISO стандарту, размер 870x600x118 номер основного исполнения .
Производитель: SKF.
MB = Обработанный латунный сепаратор с внутренним кольцом.
Цена по запросу
Цена на подшипник зависит от:
Габаритные размеры
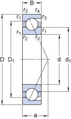
Размеры и геометрические характеристики
Нагрузка и ресурс
Коэффициенты для расчета
Присоединительные размеры
Подшипник шариковый упорный однонаправленный BD1-8000 (SKF)
Однорядный цилиндрический роликоподшипник NU 10/600 MA (SKF)