Главная > Подшипники> Шариковые> Радиально-упорные>70/530 AM

70/530 AM — Однорядный радиально-упорный шарикоподшипник, импортное производство по ISO стандарту, размер 780x530x112 номер основного исполнения .
Производитель: SKF.
A = внутренняя модификация конструкции.
Цена по запросу
Цена на подшипник зависит от:
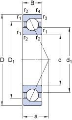
Габаритные размеры
Размеры и геометрические характеристики
Нагрузка и ресурс
Коэффициенты для расчета
Присоединительные размеры