Главная > Подшипники> Шариковые> Радиально-упорные>70/1180 AMB

70/1180 AMB — однорядный радиально-упорный шарикоподшипник, импортное производство по ISO стандарту, размер 1660x1180x212 номер основного исполнения .
Производитель: SKF.
MB = Обработанный латунный сепаратор с внутренним кольцом.
Цена по запросу
Цена на подшипник зависит от:
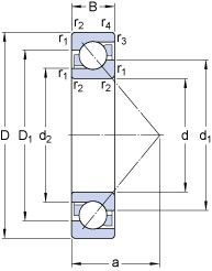
Габаритные размеры
Размеры и геометрические характеристики
Нагрузка и ресурс
Коэффициенты для расчета
Присоединительные размеры
Прочие характеристики