Главная > Подшипники> Шариковые> Радиальные>6996

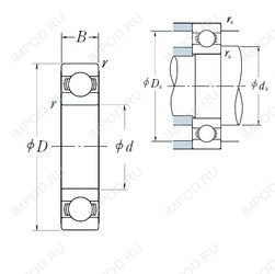
6996 — Радиальный шарикоподшипник, импортное производство по ISO стандарту, размер 480x650x78 основное исполнение.
Производится брендами: KOYO, NSK, NTN.
Цена по запросу
Цена на подшипник зависит от:
Габаритные размеры
Размеры и геометрические характеристики
Нагрузка и ресурс
Защита
Коэффициенты для расчета
Присоединительные размеры
Конструкция и исполнение
Подшипник роликовый радиально-упорный 1097996ЛМ
Подшипник роликовый радиально-упорный 1097996Л
Подшипник шариковый радиальный 61996 (CX, ISO)
Подшипник однорядный шариковый радиальный 61996 MA (ISB, NKE, SKF)
Цилиндрический роликоподшипник N1996 (CX, ISO)
Цилиндрический роликоподшипник NF1996 (CX, ISO, NTN)