Главная > Подшипники> Шариковые> Радиальные>694HZZ

694HZZ — импортное производство по ISO стандарту, размер 4x11x4 номер основного исполнения 694.
Производитель: AST.
ZZ = Два металлических экрана.
Цена от:24 р.
Цена на подшипник зависит от:
| Обозначение | Модификация |
|---|---|
| 694 | Основное конструктивное исполнение. |
| S694 | |
| 694H | H = высокая, узкая каретка для двухрядного шарикоподшипника и направляющей в сборе. |
| 694Z | Металлический экран с одной стороны. |
| FL694 | |
| SF694 | |
| F-694 | |
| F694H | H = высокая, узкая каретка для двухрядного шарикоподшипника и направляющей в сборе. |
| FL694Z | Металлический экран с одной стороны. |
| 694-2Z | 2Z = Металлические шайбы с каждой стороны подшипника. |
| 694 ZZ | ZZ = Два металлических экрана. |
| FL694ZZ | ZZ = Два металлических экрана. |
| S694-2Z | 2Z = Металлические шайбы с каждой стороны подшипника. |
| 694-2RS | Резиновые уплотнения с каждой стороны подшипника. |
| 694-2RU | Манжетное бесконтактное уплотнение с обеих сторон. |
| 694/1BZ | B = однокомпонентное ребристое внутреннее кольцо. |
| F-694ZZ | ZZ = Два металлических экрана. |
| F694-2Z | 2Z = Металлические шайбы с каждой стороны подшипника. |
| F694HZZ | ZZ = Два металлических экрана. |
| S694-2RS | Резиновые уплотнения с каждой стороны подшипника. |
| SF694-2Z | 2Z = Металлические шайбы с каждой стороны подшипника. |
| 694H-2RS | Резиновые уплотнения с каждой стороны подшипника. |
| F694-2RS | Резиновые уплотнения с каждой стороны подшипника. |
| SF694-2RS | Резиновые уплотнения с каждой стороны подшипника. |
| F-FL694ZZ | ZZ = Два металлических экрана. |
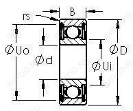
Габаритные размеры
Размеры и геометрические характеристики
Нагрузка и ресурс
Присоединительные размеры
Конструкция и исполнение
Прочие характеристики
Радиальный шарикоподшипник W 619/4 (SKF)
Подшипник шариковый радиальный однорядный 1000094
Подшипник шариковый радиальный однорядный 1000094 ZZ
Подшипник шариковый радиальный однорядный 1000094 Л
Подшипник шариковый радиальный однорядный 05-1000094 ЮТ
Подшипник шариковый радиальный однорядный с одной защитной шайбой 1060094