Главная > Подшипники> Роликовые > Радиально-упорные>69354/69630

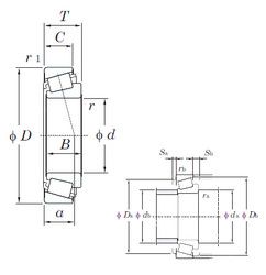
69354/69630 — Однорядный конический роликовый подшипник, импортное производство по ISO стандарту, размер 89x160x30 номер основного исполнения .
Производится брендами: Fersa, KOYO, TIMKEN.
Цена по запросу
Цена на подшипник зависит от:
Габаритные размеры
Размеры и геометрические характеристики
Нагрузка и ресурс
Защита
Коэффициенты для расчета
Присоединительные размеры
Конструкция и исполнение