Главная > Подшипники> Шариковые> Радиальные>69/750MA

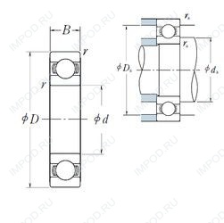
69/750MA — Радиальный шарикоподшипник, импортное производство по ISO стандарту, размер 750x1000x112 номер основного исполнения .
Производитель: NSK.
MA = Механически обработанный латунный сепаратор, центрируемый по наружному кольцу.
Цена по запросу
Цена на подшипник зависит от:
Габаритные размеры
Размеры и геометрические характеристики
Нагрузка и ресурс
Защита
Коэффициенты для расчета
Присоединительные размеры
Конструкция и исполнение
Подшипник шариковый радиальный однорядный 619/750 MA (ISB, NKE, SKF)
Радиальный шарикоподшипник 69/750 (NTN)
Цилиндрический роликоподшипник N19/750 (CX, ISO)
Цилиндрический роликоподшипник NF19/750 (CX, ISO)
Цилиндрический роликоподшипник NP19/750 (CX, ISO)