Главная > Подшипники> Шариковые> Радиальные>69/500

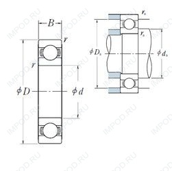
69/500 — Радиальный шарикоподшипник, импортное производство по ISO стандарту, размер 500x670x78 номер основного исполнения .
Производится брендами: KOYO, NSK, NTN.
Цена по запросу
Цена на подшипник зависит от:
Габаритные размеры
Размеры и геометрические характеристики
Нагрузка и ресурс
Защита
Коэффициенты для расчета
Присоединительные размеры
Конструкция и исполнение
Подшипник роликовый радиально-упорный 10079/500К
Подшипник роликовый радиально-упорный 10079/500КМ
Подшипник шариковый радиальный 619/500 (CX, ISO)
Подшипник однорядный шариковый радиальный 619/500 MA (ISB, NKE, SKF)
Цилиндрический роликоподшипник N19/500 (CX, ISO)
Цилиндрический роликоподшипник NF19/500 (CX, ISO)