Главная > Подшипники> Шариковые> Радиальные>684H

684H — Подшипник шариковый из нержавеющей стали, импортное производство по ISO стандарту, размер 4x9x2 номер основного исполнения 684.
Производитель: AST.
H = высокая, узкая каретка для двухрядного шарикоподшипника и направляющей в сборе.
Цена от:24 р.
Цена на подшипник зависит от:
| Обозначение | Модификация |
|---|---|
| 684 | Основное конструктивное исполнение. |
| S684 | |
| SF684 | |
| 684 A | A = внутренняя модификация конструкции. |
| 684ZZ | ZZ = Два металлических экрана. |
| F-684 | |
| F684H | H = высокая, узкая каретка для двухрядного шарикоподшипника и направляющей в сборе. |
| W684ZZ | ZZ = Два металлических экрана. |
| 684-2Z | 2Z = Металлические шайбы с каждой стороны подшипника. |
| F684ZZ | ZZ = Два металлических экрана. |
| S684-2Z | 2Z = Металлические шайбы с каждой стороны подшипника. |
| 684-2RS | Резиновые уплотнения с каждой стороны подшипника. |
| WF684ZZ | Радиальный шарикоподшипник из нержавеющей стали с упорным бортом на наружном кольце. ZZ = Два металлических экрана. |
| 684 AZZ | A = внутренняя модификация конструкции. ZZ = Закрыт с двух сторон металлическими шайбами. |
| 684/1BZ | B = однокомпонентное ребристое внутреннее кольцо. |
| 684AX50 | A = внутренняя модификация конструкции. |
| F684-2Z | 2Z = Металлические шайбы с каждой стороны подшипника. |
| F684HZZ | ZZ = Два металлических экрана. |
| S684-2RS | Резиновые уплотнения с каждой стороны подшипника. |
| SF684-2Z | 2Z = Металлические шайбы с каждой стороны подшипника. |
| W684ASSA | Шайбы AS упорного игольчатого подшипника, соответствующие для AXK и K811, к DIN 5405-3 / ISO 303 |
| 684H-2RS | Резиновые уплотнения с каждой стороны подшипника. |
| F684-2RS | Резиновые уплотнения с каждой стороны подшипника. |
| SF684-2RS | Резиновые уплотнения с каждой стороны подшипника. |
| W684AX50Z | A = внутренняя модификация конструкции. |
| WFN684 ZZ | ZZ = Два металлических экрана. |
| 684AX50ZZ | ZZ = Два металлических экрана. |
| F-W684AZZ | A = внутренняя модификация конструкции. ZZ = Закрыт с двух сторон металлическими шайбами. |
| F684H-2RS | Резиновые уплотнения с каждой стороны подшипника. |
| FL684AX50 | A = внутренняя модификация конструкции. |
| 684-2RS C3 | 2RS = Резиновые пыле-влагозащитные уплотнения с каждой стороны подшипника. C3 = Внутренний Зазор Больше Обычного. |
| FLW684AX50Z | A = внутренняя модификация конструкции. |
| FL684AX50ZZ | ZZ = Два металлических экрана. |
| F-FLW684ASSA | Шайбы AS упорного игольчатого подшипника, соответствующие для AXK и K811, к DIN 5405-3 / ISO 303 |
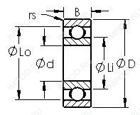
Габаритные размеры
Размеры и геометрические характеристики
Нагрузка и ресурс
Присоединительные размеры
Конструкция и исполнение
Прочие характеристики
Подшипник шариковый из нержавеющей стали W 618/4 (SKF)
Подшипник шариковый радиальный однорядный 05-1000084
Подшипник шариковый радиальный однорядный 1000084 ZZ (4ММ)
Подшипник шариковый радиальный однорядный 1000084 ЮТ
Подшипник шариковый радиальный однорядный 1000084
Подшипник шариковый радиальный однорядный 1000084 ZZ