Главная > Подшипники> Роликовые > Радиально-упорные>683/672/Q

683/672/Q — Конический роликоподшипник, импортное производство по ISO стандарту, размер 95x168x41 номер основного исполнения .
Производитель: SKF.
Q = тихий ход работы подшипника.
Цена от:4 580 р.
Цена на подшипник зависит от:
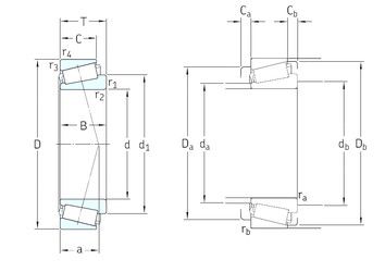
Габаритные размеры
Размеры и геометрические характеристики
Нагрузка и ресурс
Защита
Коэффициенты для расчета
Присоединительные размеры
Конструкция и исполнение
Однорядный конический роликовый подшипник 4T-683/672 (NTN)
Однорядный конический роликовый подшипник 683/672 (CX, FBJ, Fersa, ISO, KOYO)
Однорядный конический роликовый подшипник 683/672-B (TIMKEN)
Однорядный конический роликовый подшипник 683XA/672 (CX, ISO, TIMKEN)
Конический роликоподшипник K683-672 (FAG)