Главная > Подшипники> Шариковые> Радиальные>6822

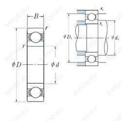
6822 — Подшипник однорядный шариковый радиальный, импортное производство по ISO стандарту, размер 110x140x16 основное исполнение.
Производится брендами: CYSD, KOYO, NACHI, NIS, NSK, NTN.
Цена от:2 631 р.
Цена на подшипник зависит от:
| Обозначение | Модификация |
|---|---|
| 6822N | N = Канавка под стопорное кольцо в наружном кольце |
| 6822ZZ | 2Z = Металлические шайбы с каждой стороны подшипника. |
| 6822NR | Стопорное кольцо и проточка под него в наружном кольце подшипника. |
| 6822VV | V = Увеличенная грузоподъемность, внутренняя модификация конструкции. |
| 6822DDU | DDU = резиновые уплотнения на каждой стороне подшипника. |
| 6822LLB | LLB = Уплотнение из синтетического каучука бесконтактного типа. |
| 6822LLU | LLU = Резиновые уплотнения на каждой стороне подшипника. |
| 6822-2RU | Манжетное бесконтактное уплотнение с обеих сторон. |
| 6822 ZNR | 2Z = Металлические шайбы с каждой стороны подшипника. |
| 6822-2RS | Резиновые уплотнения с каждой стороны подшипника. |
| 6822-2RZ | 2RZ = Шариковый подшипник, с уплотнением низкого трения на обеих сторонах. Уплотнение состоит из шайбы тонколистовой стали с вулканизированной резиной. |
| 6822-2RD | R = Наружное кольцо с фланцем . |
Габаритные размеры
Размеры и геометрические характеристики
Нагрузка и ресурс
Защита
Коэффициенты для расчета
Присоединительные размеры
Конструкция и исполнение
Прочие характеристики
Подшипник однорядный шариковый радиальный 61822 2Z-Y (FAG, IBC)
Подшипник однорядный шариковый радиальный 61822 2RSR.C3 (IBC)
Подшипник шариковый радиальный 05-1000822 Д (ГПЗ-4)
Подшипник шариковый радиальный однорядный 1000822
Подшипник шариковый радиальный 1000822 АЛ (ГПЗ-23)
Подшипник шариковый радиальный однорядный 1000822 У