Главная > Подшипники> Шариковые> Радиальные>681XHZZ

681XHZZ — Подшипник шариковый из нержавеющей стали, импортное производство по ISO стандарту, размер 1x4x2 номер основного исполнения 681.
Производитель: AST.
ZZ = Два металлических экрана.
Цена от:49 р.
Цена на подшипник зависит от:
| Обозначение | Модификация |
|---|---|
| 681 | Основное конструктивное исполнение. |
| S681 | |
| 681H | H = высокая, узкая каретка для двухрядного шарикоподшипника и направляющей в сборе. |
| F681 | |
| SF681 | |
| 681 X | X = Внешние размеры, соответствующие международным стандартам. |
| F681H | H = высокая, узкая каретка для двухрядного шарикоподшипника и направляющей в сборе. |
| F681X | X = Внешние размеры, соответствующие международным стандартам. |
| S681X | X = Внешние размеры, соответствующие международным стандартам. |
| SF681X | X = Внешние размеры, соответствующие международным стандартам. |
| F681XH | X = Внешние размеры, соответствующие международным стандартам. |
| 681 XZZ | ZZ = Два металлических экрана. |
| 681X-2Z | 2Z = Металлические шайбы с каждой стороны подшипника. |
| F681XZZ | ZZ = Два металлических экрана. |
| S681X-2Z | 2Z = Металлические шайбы с каждой стороны подшипника. |
| F681X-2Z | 2Z = Металлические шайбы с каждой стороны подшипника. |
| SF681X-2Z | 2Z = Металлические шайбы с каждой стороны подшипника. |
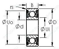
Габаритные размеры
Размеры и геометрические характеристики
Нагрузка и ресурс
Присоединительные размеры
Конструкция и исполнение
Прочие характеристики
Подшипник шариковый радиальный однорядный с одной защитной шайбой 3060091
Подшипник шариковый радиальный однорядный с одной защитной шайбой 306008/1.5
Подшипник шариковый радиальный однорядный с двумя защитными шайбами 308008/1.5
Подшипник шариковый радиальный однорядный с упорным бортом на наружном кольце и двумя защитными шайбами 388008/1.5
Подшипник шариковый радиальный однорядный с упорным бортом на наружном кольце и одной защитной шайбой 3860091
Подшипник шариковый радиальный однорядный с упорным бортом на наружном кольце и двумя защитными шайбами 3880091