Главная > Подшипники> Шариковые> Радиальные>68/750

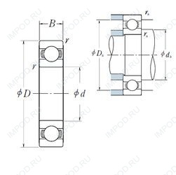
68/750 — Радиальный шарикоподшипник, импортное производство по ISO стандарту, размер 750x920x78 номер основного исполнения .
Производится брендами: KOYO, NSK, NTN.
Цена по запросу
Цена на подшипник зависит от:
Габаритные размеры
Размеры и геометрические характеристики
Нагрузка и ресурс
Защита
Коэффициенты для расчета
Присоединительные размеры
Конструкция и исполнение
Подшипник шариковый радиально-упорный 461/750
Подшипник однорядный шариковый радиальный 618/750 MA (ISB, NKE, SKF)
Подшипник шариковый радиальный 618/750 (CX, ISO, ZEN)
Подшипник однорядный шариковый радиальный 618/750-M (FAG)
Подшипник шариковый однорядный радиально-упорный 718/750 A (ISB)