Главная > Подшипники> Шариковые> Радиальные>68/710

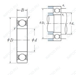
68/710 — Радиальный шарикоподшипник, импортное производство по ISO стандарту, размер 710x870x74 номер основного исполнения .
Производится брендами: KOYO, NSK, NTN.
Цена по запросу
Цена на подшипник зависит от:
Габаритные размеры
Размеры и геометрические характеристики
Нагрузка и ресурс
Защита
Коэффициенты для расчета
Присоединительные размеры
Конструкция и исполнение
Подшипник шариковый радиально-упорный 10468/710Л (EPK)
Подшипник однорядный шариковый радиальный 618/710-M (FAG)
Подшипник однорядный шариковый радиальный 618/710 (CX, ISO, ZEN)
Цилиндрический роликоподшипник N18/710 (CX, ISO)
Цилиндрический роликоподшипник NF18/710 (CX, ISO)
Цилиндрический роликоподшипник NP18/710 (CX, ISO)