Главная > Подшипники> Роликовые > Радиально-упорные>67790D/67720+Y2S-67720

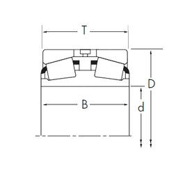
67790D/67720+Y2S-67720 — Конический роликоподшипник, импортное производство по ISO стандарту, размер 177x247x90 номер основного исполнения .
Производитель: TIMKEN.
D = профиль наружного кольца, усовершенствованный, с увеличенной зоной несущей нагрузки и оптимизированными краевыми переходами.
Цена от:28 841 р.
Цена на подшипник зависит от:
Габаритные размеры
Размеры и геометрические характеристики
Защита
Конструкция и исполнение