Главная > Подшипники> Роликовые > Радиально-упорные>67390D/67320

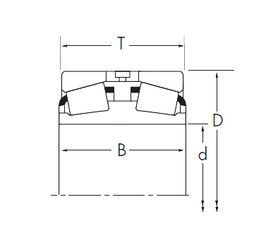
67390D/67320 — Конический роликоподшипник, импортное производство по ISO стандарту, размер 133x203x92 номер основного исполнения .
Производитель: TIMKEN.
D = профиль наружного кольца, усовершенствованный, с увеличенной зоной несущей нагрузки и оптимизированными краевыми переходами.
Цена от:4 562 р.
Цена на подшипник зависит от:
Габаритные размеры
Размеры и геометрические характеристики
Защита
Конструкция и исполнение