Главная > Подшипники> Роликовые > Радиально-упорные>67388D/67322+Y1S-67322

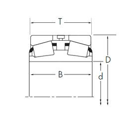
67388D/67322+Y1S-67322 — Конический роликоподшипник, импортное производство по ISO стандарту, размер 127x196x92 номер основного исполнения .
Производитель: TIMKEN.
D = профиль наружного кольца, усовершенствованный, с увеличенной зоной несущей нагрузки и оптимизированными краевыми переходами.
Цена от:3 836 р.
Цена на подшипник зависит от:
Габаритные размеры
Размеры и геометрические характеристики
Защита
Конструкция и исполнение