Главная > Подшипники> Роликовые > Радиально-упорные>66586/66520

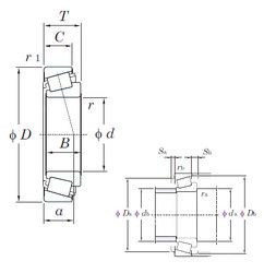
66586/66520 — Подшипник роликовый радиально-упорный, импортное производство по ISO стандарту, размер 59x122x33 номер основного исполнения .
Производится брендами: KOYO, TIMKEN.
Цена по запросу
Цена на подшипник зависит от:
Габаритные размеры
Размеры и геометрические характеристики
Нагрузка и ресурс
Защита
Коэффициенты для расчета
Присоединительные размеры
Конструкция и исполнение
Конический роликоподшипник 4T-66589/66520 (NTN)
Однорядный конический роликовый подшипник 66589/66520 (CX, FBJ, Fersa, ISO, KOYO)