Главная > Подшипники> Роликовые > Радиально-упорные>663/652

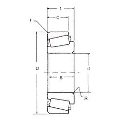
663/652 — Однорядный конический роликовый подшипник, импортное производство по ISO стандарту, размер 82x152x41 номер основного исполнения .
Производится брендами: CX, FBJ, Fersa, ISO, NIS, NSK, TIMKEN.
Цена от:1 756 р.
Цена на подшипник зависит от:
Габаритные размеры
Размеры и геометрические характеристики
Нагрузка и ресурс
Защита
Коэффициенты для расчета
Присоединительные размеры
Конструкция и исполнение
Прочие характеристики
Конический роликоподшипник 4T-663/652 (NTN)
Конический роликоподшипник 663/652B (TIMKEN)