Главная > Подшипники> Роликовые > Радиально-упорные>66212R/66462

66212R/66462 — Подшипник роликовый радиально-упорный, импортное производство по ISO стандарту, размер 53x117x33 номер основного исполнения .
Производитель: KOYO.
R = Наружное кольцо с фланцем .
Цена от:8 208 р.
Цена на подшипник зависит от:
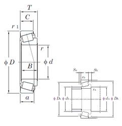
Габаритные размеры
Размеры и геометрические характеристики
Нагрузка и ресурс
Защита
Коэффициенты для расчета
Присоединительные размеры
Конструкция и исполнение
Однорядный конический роликовый подшипник 66212/66462 (CX, ISO, TIMKEN)
Однорядный конический роликовый подшипник 66212/66461 (TIMKEN)